モノづくりの困ったを解決する総合サイト

Produced by

岩田製作所

リニアストッパー|ウレタン付 LSMU

主要直動メーカーのガイドレールのストッパーを標準化

・金属同士の衝撃音を緩和するウレタン付。

#リニアストッパー
#衝撃

共通仕様

材質/表面処理 LSMU:鉄(SS400)/黒染め
LSMU-S:ステンレス(SUS304)
付属品 LSMU:六角穴付ボルト(SCM435/黒染め) 2本、SBU ウレタン 1個
LSMU-S:六角穴付ボルト(SUSXM7) 2本、SBU ウレタン 1個

CADメーカーTOP

詳細仕様

  • 10件中 1-10件

  • 表示件数

10件の型式

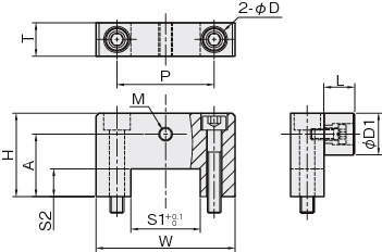
型式 材質/表面処理 対応サイズ 対応シリーズ W H A S1 S2 P T M D 付属
ボルト
D1 L
IKO NSK THK
LSMU-01 鉄(SS400)/黒染め 18・24 - - SHW12・SHW14 50 30 22.5 25 10 35 12 M4 5.5 M5×35 15 11
LSMU-02 鉄(SS400)/黒染め 33 LWFF33・LWFS33 LW17EL SHW17 65 32 24.5 34 12 50 12 M4 5.5 M5×35 15 11
LSMU-03 鉄(SS400)/黒染め 37 LWFF37・LWFS37 LW21EL SHW21 65 38 28.0 38 15 50 12 M5 5.5 M5×40 20 13
LSMU-04 鉄(SS400)/黒染め 42 LWFF42・LWFS42 LW27EL SHW27 75 45 35.0 43 17 60 16 M5 6.6 M6×50 20 13
LSMU-05 鉄(SS400)/黒染め 69 LWFF69 LW35EL SHW35 125 49.5 37.5 70 22 100 16 M5 9.0 M8×55 25 13
LSMU-01S ステンレス(SUS304) 18・24 - - SHW12・SHW14 50 30 22.5 25 10 35 12 M4 5.5 M5×35 15 11
LSMU-02S ステンレス(SUS304) 33 LWFF33・LWFS33 LW17EL SHW17 65 32 24.5 34 12 50 12 M4 5.5 M5×35 15 11
LSMU-03S ステンレス(SUS304) 37 LWFF37・LWFS37 LW21EL SHW21 65 38 28.0 38 15 50 12 M5 5.5 M5×40 20 13
LSMU-04S ステンレス(SUS304) 42 LWFF42・LWFS42 LW27EL SHW27 75 45 35.0 43 17 60 16 M5 6.6 M6×50 20 13
LSMU-05S ステンレス(SUS304) 69 LWFF69 LW35EL SHW35 125 49.5 37.5 70 22 100 16 M5 9.0 M8×55 25 13

型式 商品コード 単位 価格
(円)
基準納期
日伝 メーカー
LSMU-01 LSMU-01 P 1,670 - 在庫品
LSMU-02 LSMU-02 P 1,990 - 在庫品
LSMU-03 LSMU-03 P 2,060 - 在庫品
LSMU-04 LSMU-04 P 2,430 - 在庫品
LSMU-05 LSMU-05 P 3,190 - 在庫品
LSMU-01S LSMU-01S P 2,680 - 在庫品
LSMU-02S LSMU-02S P 3,130 - 在庫品
LSMU-03S LSMU-03S P 3,200 - 在庫品
LSMU-04S LSMU-04S P 3,840 - 在庫品
LSMU-05S LSMU-05S P 6,430 - 在庫品

1952年設立で、動力伝導機器・産業機器・制御機器等の機械設備及び機械器具関連製品の販売をしている専門総合商社です。
日本国内で40以上の拠点を持ち、信頼性の高い製品と技術力で、全国のものづくりに携わる方々のあらゆるお困りごとを解決しています。

Loading...