・ロールフォーミング工法で成形されたインナーメンバーとアウターメンバーによる高精度で滑らかなボールベアリングスライドレールです。
・スライドレールには亜鉛メッキが施されているので、耐食性に優れます。
・スライドレールにはグリスが封入されており、通常の使用では給油の必要は全くありません。
              
共通仕様
| インナ・アウタメンバー | SPCC 電気亜鉛メッキ(光沢クロメート) | 
|---|---|
| リテーナ | SECC | 
| ボール | 炭素鋼球3/16” | 
イマオコーポレーション
                ・ロールフォーミング工法で成形されたインナーメンバーとアウターメンバーによる高精度で滑らかなボールベアリングスライドレールです。
・スライドレールには亜鉛メッキが施されているので、耐食性に優れます。
・スライドレールにはグリスが封入されており、通常の使用では給油の必要は全くありません。
              
| インナ・アウタメンバー | SPCC 電気亜鉛メッキ(光沢クロメート) | 
|---|---|
| リテーナ | SECC | 
| ボール | 炭素鋼球3/16” | 
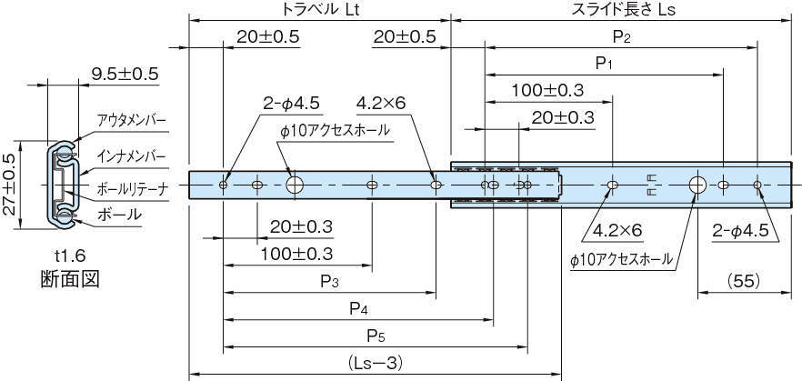
7件の型式
| 型式 | 
                                    Ls (±0.8)  | 
                                                                                                                                                                                          
                                    Lt (±3)  | 
                                                                                                                                                                                          
                                    P1 (±0.3)  | 
                                                                                                                                                                                          
                                    P2 (±0.3)  | 
                                                                                                                                                                                          
                                    P3 (±0.3)  | 
                                                                                                                                                                                                                                                                                                                                                                                                                          
                                    P4 (±0.3)  | 
                                                                                                                                                                                          
                                    P5 (±0.3)  | 
                                                                                                                                                                                          
                                    定格荷重 (N/ペア)  | 
                                                                                                                                                                                          
                                    質量 (g/本)  | 
                                                                                                                                                                                                                    
|---|---|---|---|---|---|---|---|---|---|
| RS27S-200 | 200 | 135 | 140 | 160 | - | 140 | 160 | 260 | 160 | 
| RS27S-250 | 250 | 185 | 190 | 210 | 150 | 190 | 210 | 240 | 200 | 
| RS27S-300 | 300 | 222 | 240 | 260 | 190 | 240 | 260 | 240 | 240 | 
| RS27S-350 | 350 | 260 | 290 | 310 | 225 | 290 | 310 | 230 | 280 | 
| RS27S-400 | 400 | 297 | 340 | 360 | 265 | 340 | 360 | 210 | 320 | 
| RS27S-450 | 450 | 334 | 390 | 410 | 300 | 390 | 410 | 200 | 360 | 
| RS27S-500 | 500 | 371 | 440 | 460 | 337 | 440 | 460 | 180 | 400 | 
| 型式 | 商品コード | 単位 | 
                              価格 (円)  | 
                                                                                                        基準納期 | |
|---|---|---|---|---|---|
| 日伝 | メーカー | ||||
| RS27S-200 | RS27S-200 | P | 910 | - | 在庫品 | 
| RS27S-250 | RS27S-250 | P | 1,030 | - | 在庫品 | 
| RS27S-300 | RS27S-300 | P | 1,160 | - | 在庫品 | 
| RS27S-350 | RS27S-350 | P | 1,290 | - | 在庫品 | 
| RS27S-400 | RS27S-400 | P | 1,290 | - | 在庫品 | 
| RS27S-450 | RS27S-450 | P | 1,400 | - | 在庫品 | 
| RS27S-500 | RS27S-500 | P | 1,400 | - | 在庫品 | 
製品についてのご質問やお困りごとなどお気軽にご相談ください!