モノづくりの困ったを解決する総合サイト

Produced by

イマオコーポレーション

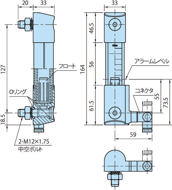
コラム式レベルインジケーター(センサー付き) CLR-GLE・CLR-GLP

・耐熱ガラス製チューブは、ポリカーボネート製の透明プロテクター
で保護されています。
・2本のボルトを通ってインジケーターに液体が入ります。
・レベル盤は取外しできますので、ご購入後にmax.、min.の印字ができます。
・内部が液体で満たされた状態でも、横から読取り可能です。
・完全にシーリングされていますので液体漏れはありません。
・コネクタの向きは前面、上下対応。
・フロートにより、容易にオイルレベルを読取ることができます。
・CLA-127GLE-SUS:液面が下がり磁気性のフロートがアラームレベルに達すると、センサーブラケットと反応し通電します。
・CLA-127GLP-SUS:液面が下がり磁気性のフロートがアラームレベルに達すると、センサーブラケットと反応し通電します。また、液体温度が80℃に達することでも通電します。
・保護等級IP65適合
・水またはグリコールベース水溶液(50%)で使用可能です。
・タンク底面付近への設置が可能です。

・上向き(コネクタが下側)の状態でご使用ください。
・j磁気に近いところでは、ご使用になれません。
・取付け箇所の材質がスチールなど強磁性素材の場合は、製品への影響を防ぐためスペーサーを使用してください。

#オイルゲージ

共通仕様

チューブ 耐熱ガラス
プロテクター ポリカーボネート透明
文字盤・サポート アルミニウム
ボルト SUS303
ナット、ワッシャー SUS304
センサーブラケット・アセンブリエンド ポリアミド(ガラス繊維強化) ブラック
フロート ポリアミド ブラック
Oリング フッ素ゴム(FKM)
使用温度 max.80℃ min.-30℃
付属品 スペーサー(厚み10);2個

CADメーカーTOP

詳細仕様

  • 2件中 1-2件

  • 表示件数

2件の型式

型式 センサー 質量
(g)
CLR-127GLE-SUS 液面レベル 231
CLR-127GLP-SUS 液面レベル・液体温度 231

型式 商品コード 単位 価格
(円)
基準納期
日伝 メーカー
CLR-127GLE-SUS CLR-127GLE-SUS P 19,500 - 在庫品
CLR-127GLP-SUS CLR-127GLP-SUS P 20,700 - 在庫品

1952年設立で、動力伝導機器・産業機器・制御機器等の機械設備及び機械器具関連製品の販売をしている専門総合商社です。
日本国内で40以上の拠点を持ち、信頼性の高い製品と技術力で、全国のものづくりに携わる方々のあらゆるお困りごとを解決しています。

Loading...