C-12(ナイロンシール付 防塵仕様)
-
C-12(ナイロンシール付 防塵仕様)
-
P-12(ナイロンシール付 防塵仕様)
・豊富なバリエーションで様々な環境に対応。取り付け高さを低く抑える用途に最適。
フリーベアコーポレーション
C-12(ナイロンシール付 防塵仕様)
C-12(ナイロンシール付 防塵仕様)
P-12(ナイロンシール付 防塵仕様)
・豊富なバリエーションで様々な環境に対応。取り付け高さを低く抑える用途に最適。
2件の型式
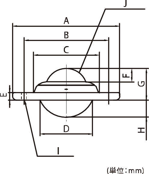
型式 | 許容荷重 | メインボール | 小ボール | 本体 | ボール受け | 自重 | A | B | C | D | E | F | G | H | I | J |
---|---|---|---|---|---|---|---|---|---|---|---|---|---|---|---|---|
C-12 | 60kg | スチール | スチール | スチール | スチール | 506g | φ96.8 | P.C.D.76.5 | φ59.6 | φ49.5 | 6.8 | 12 | 28.5 | 15.5 | 3-φ4.5 | 1 1/2"球(φ38.10) |
P-12 | 10kg | ナイロン | スチール | スチール | スチール | 315g | φ96.8 | P.C.D.76.5 | φ59.6 | φ49.5 | 6.8 | 12 | 28.5 | 15.5 | 3-φ4.5 | 1 1/2"球(φ38.10) |
型式 | 商品コード | 単位 |
価格 (円) |
基準納期 | |
---|---|---|---|---|---|
日伝 | メーカー | ||||
C-12 | C-12 | P | 3,400 | 在庫品 | 在庫品 |
P-12 | P-12 | P | 6,000 | - | 在庫品 |
製品についてのご質問やお困りごとなどお気軽にご相談ください!