MMSGQ
-
MMSGQ
共通仕様
| 精度等級 | JIS 0級 (JIS B 1704:1978) |
|---|---|
| 歯形 | グリーソン |
| 圧力角 | 20° |
| ねじれ角 | 35° |
| 材料 | SCM415 |
| 熱処理 | 深炭焼入れ |
| 歯面硬度 | 55~60HRC |
小原歯車工業
MMSGQ
MMSGQ
| 精度等級 | JIS 0級 (JIS B 1704:1978) |
|---|---|
| 歯形 | グリーソン |
| 圧力角 | 20° |
| ねじれ角 | 35° |
| 材料 | SCM415 |
| 熱処理 | 深炭焼入れ |
| 歯面硬度 | 55~60HRC |
20件の型式
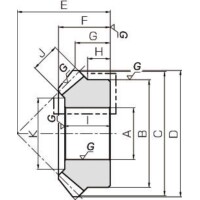
| 型式 | 歯数比 |
モジュール m |
歯数 |
ねじれ 方向 |
形状 |
穴径 AH7 (mm) |
ボス径 B (mm) |
基準円直径 C (mm) |
歯先円直径 D (mm) |
組立距離 E (mm) |
全長 F (mm) |
歯先距離 G (mm) |
ボス長さ H (mm) |
穴長さ I (mm) |
歯幅 J (mm) |
おさえ面径 K (mm) |
許容トルク(N・m) | 許容トルク(kgf・m) |
バックラッシ (mm) |
質量 (kg) |
||
|---|---|---|---|---|---|---|---|---|---|---|---|---|---|---|---|---|---|---|---|---|---|---|
| 曲げ強さ | 歯面強さ | 曲げ強さ | 歯面強さ | |||||||||||||||||||
| MMSGQ2-20R | 1 | 2 | 20 | R | B3 | 12 | 35 | 40 | 40 | 35 | 21 | 16.35 | 12.5 | 20 | 9 | 24.54 | 17.0 | 23.5 | 1.73 | 2.40 | 0~0.05 | 0.14 |
| MMSGQ2-20L | 1 | 2 | 20 | L | B3 | 12 | 35 | 40 | 40 | 35 | 21 | 16.35 | 12.5 | 20 | 9 | 24.54 | 17.0 | 23.5 | 1.73 | 2.40 | 0~0.05 | 0.14 |
| MMSGQ2.5-20R | 1 | 2.5 | 20 | R | B3 | 14 | 42 | 50 | 51 | 45 | 28 | 21.6 | 16 | 26 | 11 | 30.89 | 32.7 | 46.1 | 3.33 | 4.70 | 0.05~0.10 | 0.27 |
| MMSGQ2.5-20L | 1 | 2.5 | 20 | L | B3 | 14 | 42 | 50 | 51 | 45 | 28 | 21.6 | 16 | 26 | 11 | 30.89 | 32.7 | 46.1 | 3.33 | 4.70 | 0.05~0.10 | 0.27 |
| MMSGQ3-20R | 1 | 3 | 20 | R | B3 | 16 | 52 | 60 | 61 | 50 | 30 | 21.99 | 16 | 27 | 14 | 34.4 | 58.5 | 83.7 | 5.97 | 8.54 | 0.05~0.10 | 0.43 |
| MMSGQ3-20L | 1 | 3 | 20 | L | B3 | 16 | 52 | 60 | 61 | 50 | 30 | 21.99 | 16 | 27 | 14 | 34.4 | 58.5 | 83.7 | 5.97 | 8.54 | 0.05~0.10 | 0.43 |
| MMSGQ3.5-20R | 1 | 3.5 | 20 | R | B4 | 20 | 50 | 70 | 71 | 55 | 31.5 | 22.26 | 14 | 29 | 16 | 42.75 | 91.8 | 133 | 9.36 | 13.6 | 0.05~0.10 | 0.51 |
| MMSGQ3.5-20L | 1 | 3.5 | 20 | L | B4 | 20 | 50 | 70 | 71 | 55 | 31.5 | 22.26 | 14 | 29 | 16 | 42.75 | 91.8 | 133 | 9.36 | 13.6 | 0.05~0.10 | 0.51 |
| MMSGQ4-20R | 1 | 4 | 20 | R | B4 | 20 | 55 | 80 | 81 | 65 | 38 | 27.5 | 17 | 35 | 18 | 49.08 | 136 | 199 | 13.8 | 20.3 | 0.05~0.10 | 0.80 |
| MMSGQ4-20L | 1 | 4 | 20 | L | B4 | 20 | 55 | 80 | 81 | 65 | 38 | 27.5 | 17 | 35 | 18 | 49.08 | 136 | 199 | 13.8 | 20.3 | 0.05~0.10 | 0.80 |
| 型式 | 商品コード | 単位 |
価格 (円) |
基準納期 | |
|---|---|---|---|---|---|
| 日伝 | メーカー | ||||
| MMSGQ2-20R | MMSGQ2-20R | P | 21,630 | - | 3日間 |
| MMSGQ2-20L | MMSGQ2-20L | P | 21,630 | - | 3日間 |
| MMSGQ2.5-20R | MMSGQ2.5-20R | P | 25,240 | - | 3日間 |
| MMSGQ2.5-20L | MMSGQ2.5-20L | P | 25,240 | - | 3日間 |
| MMSGQ3-20R | MMSGQ3-20R | P | 27,300 | - | 3日間 |
| MMSGQ3-20L | MMSGQ3-20L | P | 27,300 | - | 3日間 |
| MMSGQ3.5-20R | MMSGQ3.5-20R | P | 33,380 | - | 3日間 |
| MMSGQ3.5-20L | MMSGQ3.5-20L | P | 33,380 | - | 3日間 |
| MMSGQ4-20R | MMSGQ4-20R | P | 38,320 | - | 3日間 |
| MMSGQ4-20L | MMSGQ4-20L | P | 38,320 | - | 3日間 |
製品についてのご質問やお困りごとなどお気軽にご相談ください!