H1
-
H1
-
HB
-
組合せ例
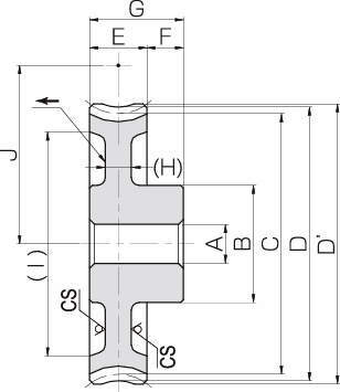
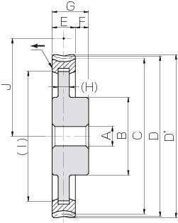
■複リードウォームホイール AGDL
・アルミニウム青銅製の複リードウォームホイールで、精度が優れ追加工性と耐摩耗性のバランスが良い製品です。
・KWGDL または KWGDLS と組み合わせて使用します。
■複リードウォームギヤ
・ウォームギヤのバックラッシを調整するには、組立距離を変える方法が一般的であり、一度組立した組立距離を変えるには、歯車箱などの大掛かりな修正作業が必要でした。
・しかし、複リードウォームギヤを使用すれば、歯車箱の組立距離を変えないでバックラッシの調整が可能になり、作業性やメンテナンスが大変便利になりす。
・複リードウォームギヤは特殊な製品ですので採用する際は、機能及び仕組みを理解した上でご使用ください。
共通仕様
| 精度等級 | KHK W 002 1級 |
|---|---|
| 歯車基準断面 | 軸直角 |
| 歯形 | 並歯 |
| 歯直角圧力角 | 17.3° |
| 材料 | CAC702(旧 JIS表示AlBC2) |
| 熱処理 | - |
| 歯面硬度 | - |

