ZSTP [Eシリーズ]
-
ZSTP [Eシリーズ]
■歯研はすば歯車 ZSTP
・ZSTのピニオンで、精度が良く、ヘリカルのため強度、耐摩耗性、静粛性が優れています。
・歯部以外は追加工が可能です。
■歯車締結の悩みを解決!
・歯車と軸との取付時間の削減したい。(組立時間5分程度KHK調べ)取外しの際も同様の作業時間が掛かります。
・歯車と軸の組付け振れを小さくしたい。
・歯車と軸とのバックラッシを小さくしたい。
・フレッティング摩耗(軸ヤセや焼付き)による軸強度の低下を低減したい。
・位相合わせ、位置決めの簡素化をしたい。
■ETP-EPlusの動作原理
・チャンバー内に封入されている圧力媒体は、プレッシャースクリューの締め込みにより加圧されてスリーブ内に移行します。
・この圧力媒体の加圧で、スリーブは内部から圧力を受け、軸側スリーブは収縮し、ハブ側スリーブは拡張し、軸とハブはスリーブを介して締結されます。
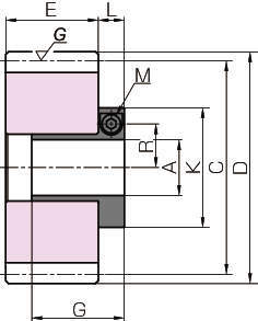
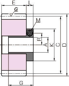
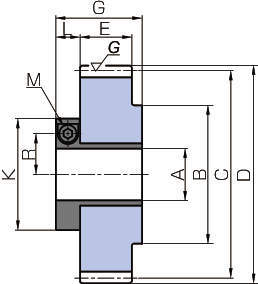
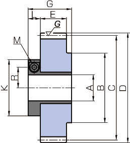
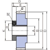
共通仕様
| 精度等級 | JIS N6級相当品 (JIS B 1702-1:1998) |
|---|---|
| 歯車基準断面 | 歯直角 |
| 歯形 | 並歯 |
| 圧力角 | 20° |
| ねじれ角 | 19°31'41'' 左ねじれ |
| 材料 | SCM440 |
| 熱処理 | 調質、歯面高周波焼入れ |
| 歯面硬度 | 50~60HRC |
| 表面処理 | 研削部以外黒染 |

