モノづくりの困ったを解決する総合サイト

Produced by

小原歯車工業

ウォームギヤ|ウォームホイール AG [Jシリーズ]

■ウォームホイール AG
・アルミニウム青銅製のウォームホイールで、追加工性と耐摩耗性のバランスが良い製品です。
・SWGと組み合わせて使用します。

■Jシリーズ
・Jシリーズとは、標準歯車の下穴品をベースに穴径、キー溝、取付穴の寸法をKHK独自の規格でシリーズ化した製品です。
・最新の機械設備をジャスト・イン・タイム生産ラインにより生産効率と品質を追求。
・メーカーが行う追加工で信頼性の高い製品を提供します。

#ウォームギヤ

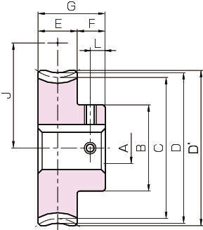
共通仕様

精度等級 KHK W 002 2級相当品
歯車基準断面 軸直角
歯形 並歯
歯直角圧力角 20°
材料 CAC702(旧 JIS表示AlBC2)
熱処理 -
歯面硬度 -

詳細仕様

  • 243件中 1-10件

  • 表示件数

243件の型式

型式 減速比 軸直角
モジュール
m
歯数 相手
条数
ねじれ
ねじれ
方向
形状 穴径
AH7
(mm)
ボス径
B
(mm)
基準円直径
C
(mm)
のど径
D
(mm)
歯先円直径
D'
(mm)
歯幅
E
(mm)
ボス長さ
F
(mm)
全長
G
(mm)
ウェブ厚
H
(mm)
リム径
I
(mm)
組立距離
J
(mm)
キーみぞ
(mm)
幅×深さ
ねじ穴 歯面強さ許容トルク(N・m) バックラッシ
(mm)
質量
(kg)
サイズ L(mm) 30rpm時 100rpm時 300rpm時 600rpm時 900rpm時 1200rpm時 1800rpm時
AG1-20R1J6 20 1 20 1 3°35′ R H1T 6 16 20 22 23 10 10 20 - - 18 - M4 5 3.35 2.79 2.23 1.83 1.63 1.5 1.3 0.08~0.19 0.038
AG1-20R2J6 10 1 20 2 7°08′ R H1T 6 16 20 22 23 10 10 20 - - 18 - M4 5 3.31 2.69 2.06 1.68 1.48 1.35 1.15 0.08~0.19 0.038
AG1-30R1J6 30 1 30 1 3°35′ R H1T 6 20 30 32 33 10 10 20 - - 23 - M4 5 7.08 5.98 4.84 4.05 3.63 3.31 2.92 0.08~0.19 0.078
AG1-30R1J8 30 1 30 1 3°35′ R H1T 8 20 30 32 33 10 10 20 - - 23 - M5 5 7.08 5.98 4.84 4.05 3.63 3.31 2.92 0.08~0.19 0.078
AG1-30R2J6 15 1 30 2 7°08′ R H1T 6 20 30 32 33 10 10 20 - - 23 - M4 5 7.03 5.84 4.56 3.72 3.33 3.03 2.63 0.08~0.19 0.078
AG1-30R2J8 15 1 30 2 7°08′ R H1T 8 20 30 32 33 10 10 20 - - 23 - M5 5 7.03 5.84 4.56 3.72 3.33 3.03 2.63 0.08~0.19 0.078
AG1-40R1J8 40 1 40 1 3°35′ R H1T 8 26 40 42 43 10 10 20 - - 28 - M5 5 12.1 10.2 8.43 7.12 6.38 5.86 5.13 0.08~0.19 0.13
AG1-40R1J10 40 1 40 1 3°35′ R H1K 10 26 40 42 43 10 10 20 - - 28 4×1.8 M4 5 12.1 10.2 8.43 7.12 6.38 5.86 5.13 0.08~0.19 0.13
AG1-40R1J12 40 1 40 1 3°35′ R H1K 12 26 40 42 43 10 10 20 - - 28 4×1.8 M4 5 12.1 10.2 8.43 7.12 6.38 5.86 5.13 0.08~0.19 0.13
AG1-50R1J8 50 1 50 1 3°35′ R H1T 8 30 50 52 53 10 10 20 - - 33 - M5 5 18.3 15.5 12.9 10.9 9.87 9.09 7.95 0.08~0.19 0.2

型式 商品コード 単位 価格
(円)
基準納期
日伝 メーカー
AG1-20R1J6 AG1-20R1J6 P 3,450 - -
AG1-20R2J6 AG1-20R2J6 P 3,450 - -
AG1-30R1J6 AG1-30R1J6 P 4,350 - -
AG1-30R1J8 AG1-30R1J8 P 5,310 - -
AG1-30R2J6 AG1-30R2J6 P 4,350 - -
AG1-30R2J8 AG1-30R2J8 P 5,310 - -
AG1-40R1J8 AG1-40R1J8 P 5,900 - -
AG1-40R1J10 AG1-40R1J10 P 7,950 - -
AG1-40R1J12 AG1-40R1J12 P 7,950 - -
AG1-50R1J8 AG1-50R1J8 P 8,990 - -

関連製品

この製品を見た人はこのような製品も見ています

1952年設立で、動力伝導機器・産業機器・制御機器等の機械設備及び機械器具関連製品の販売をしている専門総合商社です。
日本国内で40以上の拠点を持ち、信頼性の高い製品と技術力で、全国のものづくりに携わる方々のあらゆるお困りごとを解決しています。

Loading...