SSC-SD
-
SSC-SD
・ねじの脱落・紛失を防止します。取りつけ・取りはずしが頻繁な保護カバーや点検用カバーの固定に。
<用途>
・保護カバー・点検用カバーの固定
・CEマーキング対応
・工作機械/食品機械/電気・電子機器
共通仕様
| 本体 | SUSXM7(SUS304相当) |
|---|---|
| 強度区分 | A2-70 |
鍋屋バイテック会社
SSC-SD
SSC-SD
・ねじの脱落・紛失を防止します。取りつけ・取りはずしが頻繁な保護カバーや点検用カバーの固定に。
<用途>
・保護カバー・点検用カバーの固定
・CEマーキング対応
・工作機械/食品機械/電気・電子機器
| 本体 | SUSXM7(SUS304相当) |
|---|---|
| 強度区分 | A2-70 |
22件の型式
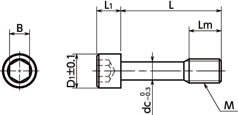
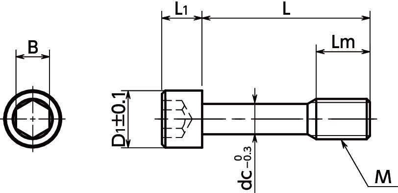
| 型式 | M(並目) |
L (mm) |
Lm (mm) |
D1 (mm) |
L1 (mm) |
B (mm) |
dc (mm) |
質量 (g) |
|
|---|---|---|---|---|---|---|---|---|---|
| ねじの呼び | ピッチ | ||||||||
| SSC-M3-8-SD | M3 | 0.5 | 8 | 4 | 4.5 | 3 | 2.5 | 2.2 | 0.8 |
| SSC-M3-10-SD | M3 | 0.5 | 10 | 4 | 4.5 | 3 | 2.5 | 2.2 | 0.88 |
| SSC-M3-12-SD | M3 | 0.5 | 12 | 4 | 4.5 | 3 | 2.5 | 2.2 | 0.96 |
| SSC-M4-10-SD | M4 | 0.7 | 10 | 5 | 5.5 | 4 | 3 | 3 | 1.8 |
| SSC-M4-12-SD | M4 | 0.7 | 12 | 5 | 5.5 | 4 | 3 | 3 | 2 |
| SSC-M4-16-SD | M4 | 0.7 | 16 | 5 | 5.5 | 4 | 3 | 3 | 2.3 |
| SSC-M4-20-SD | M4 | 0.7 | 20 | 5 | 5.5 | 4 | 3 | 3 | 2.7 |
| SSC-M5-12-SD | M5 | 0.8 | 12 | 6 | 7 | 4.5 | 4 | 3.9 | 3 |
| SSC-M5-16-SD | M5 | 0.8 | 16 | 6 | 7 | 4.5 | 4 | 3.9 | 3.5 |
| SSC-M5-20-SD | M5 | 0.8 | 20 | 6 | 7 | 4.5 | 4 | 3.9 | 4 |
製品についてのご質問やお困りごとなどお気軽にご相談ください!