HA-NE型
-
HA-NE型
-
HA-NE-100SL
-
HA-NE-100BL
-
HA-NE-100ST
-
HA-NE-200SL
-
HA-NE-200BL
-
HA-NE-200ST
・先端の滑り止めなど、細やかな配慮をしたデザインです。
・本製品とトータルコーディネートできるALH型があります。
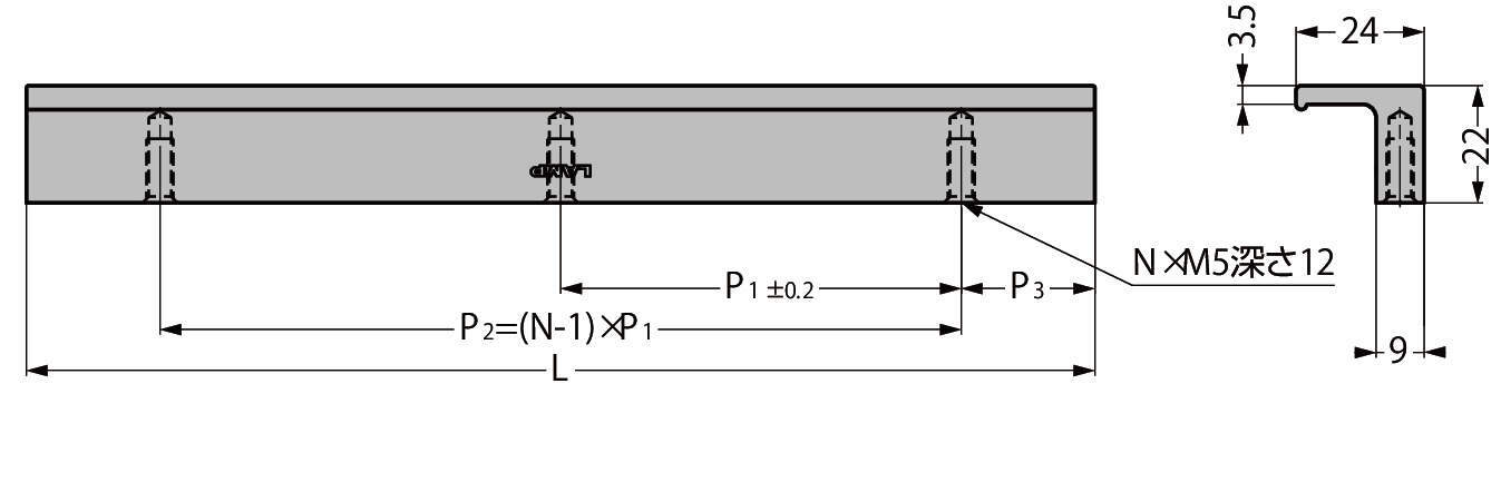
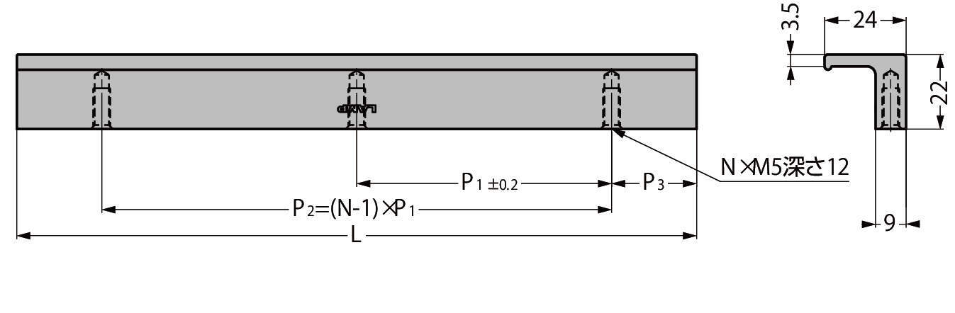
共通仕様
| 付属品 | 十字穴付トラス小ねじM5×30(ステンレス製) |
|---|

