ST-HV1200HTMTU
-
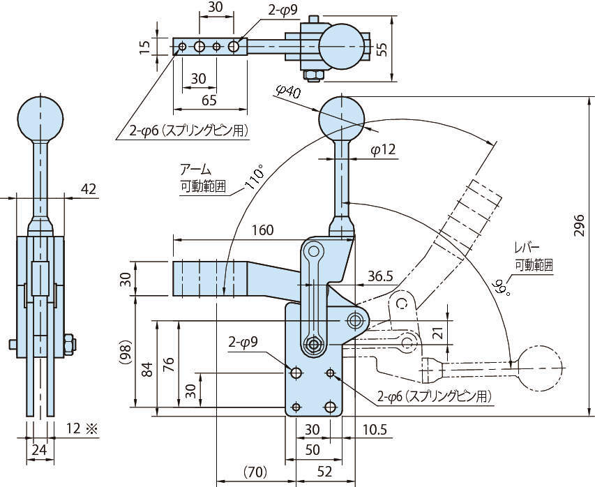
ST-HV1200HTMTU
・立型 : レバーを立てて、下方にクランプ
・ストレート取付けベース
・自動車産業において、溶接治具 ・計測治具などにご使用いただけます。
共通仕様
| 本体 | SCM440、電着塗装 |
|---|---|
| グリップ | フェノール樹脂 |
| ピン・ブッシュ | S45C |
イマオコーポレーション
ST-HV1200HTMTU
ST-HV1200HTMTU
・立型 : レバーを立てて、下方にクランプ
・ストレート取付けベース
・自動車産業において、溶接治具 ・計測治具などにご使用いただけます。
| 本体 | SCM440、電着塗装 |
|---|---|
| グリップ | フェノール樹脂 |
| ピン・ブッシュ | S45C |
1件の型式
| 型式 | シリーズ | ロック機構 | 本体材質 |
締圧力 (kN) |
質量 (g) |
|---|---|---|---|---|---|
| ST-HV1200HTMTU | ST-HV1200 | なし | スチール製 | 11.8 | 1800 |
| 型式 | 商品コード | 単位 |
価格 (円) |
基準納期 | |
|---|---|---|---|---|---|
| 日伝 | メーカー | ||||
| ST-HV1200HTMTU | ST-HV1200HTMTU | P | 10,600 | - | 在庫品 |
製品についてのご質問やお困りごとなどお気軽にご相談ください!