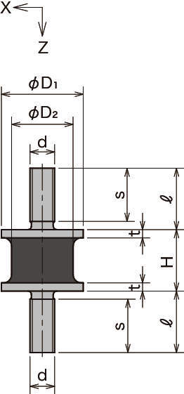
CKA
-
CKA
■高導電性ゴムを使用したシンプルな丸形防振ゴムです。
■防振しながら静電気を外に逃がします。
■静電気で不具合が起こりやすい搬送装置や検査装置に最適です。
【導電性防振ゴム CKAは、搬送装置や検査装置の静電気による不具合の問題を解決します】
■チップ部品供給装置・パーツフィーダー
・用途:電子部品を自動で供給・整列
・問題:静電気で部品が吸着し、供給不良や詰まりが発生
・静電気の発生源:ワーク同士の摩擦(シリコン・PP・PE等が特に帯電しやすい)
■コンベア搬送装置
・用途:基板・ウェハ・医薬品などの搬送
・問題:静電気で製品が貼り付き、搬送ミスや落下が発生
・静電気の発生源:ベルトやローラーとの接触摩擦
■SMTラインの搬送装置(表面実装部品の実装工程)
・用途:プリント基板の工程間搬送
・問題:静電気が部品や基板を破壊し、実装不良を引き起こす
・静電気の発生源:摩擦、乾燥空気、絶縁素材の接触
■半導体ウェハ検査装置
・用途:半導体チップの不良を光学や電気的手段で検出する
・問題:静電気放電(ESD)により、検査中の微細回路を破壊するリスク
・静電気の発生源:ワークの搬送中・搬入出時の摩擦、検査ステージの動作
■基板検査装置(AOI・ICT・フライングプローブなど)
・用途:電子基板のはんだ付け不良や回路不良の検出
・問題:高感度なプローブやカメラ、検査対象基板自体へのESDダメージ
・静電気の発生源生源:自動搬送中の摩擦、検査プローブとの接触
■ディスプレイパネル検査装置
・用途:液晶や有機ELのパネル検査(画素欠け・異物検出など)
・問題:パネル表面が帯電しやすく、異常放電によって欠陥を誘発する
・静電気の発生源:検査装置の光学系やハンドリング機構との接触・摩擦
■画像検査装置・異物検査装置
・用途:高速で流れる製品の形状・異物チェック
・問題:静電気が製品にホコリや異物を引き寄せ、誤検出が起きる
・静電気の発生源:コンベア、搬送経路との摩擦帯電
共通仕様
| ゴム材質 | 導電性NBR(体積固有抵抗率:8×103Ω・cm) |
|---|---|
| 金具材質 | スチール(電気亜鉛めっき) |
| 付属品 | 六角ナット、スプリングワッシャー 各2個 |

