SE
-
SE
■ロスタテンショナー
・ベルトの適正張力を維持、チェーンのたるみ、振動・衝撃を自動的に吸収します。
・基本構造は、ロスタサスペンションユニット内殻にあらかじめアームを取り付けた構造で、外殻はフランジ形状です。
・アームにローラやスプロケットをセットすることで、テンショニング、加圧ローラ、ダンパーとして利用することができます。
■センターボルト1本で取り付けが可能
・取り付けは、センターボルト1本のみで行え、ベルトの適正張力の維持、チェーンのたるみ吸収、コンベアベルトのスクレーパ、加圧ローラなど簡単な取り付けが可能です
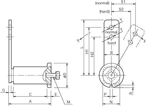
■SEモデル
・アイドラーなしのSEモデルです。
・使用荷重範囲によってアイドラーの取り付け穴を選択することができるので、広い荷重範囲に対応できます。
【ロスタの特長】
■大きなねじり角度
・ねじりはもちろん、上下・左右方向のばね特性も利用できます。
■非線形ばね特性
・弾力性に富み減衰性を持ったゴムの採用により、防振効果に優れています。
・ゴムの内部減衰は金属に比べて優れ、大きな減衰効果が得られます。
■振動・衝撃吸収
・シンプルな構造で、軽量・コンパクトです。
・ゴム体は予備圧縮されている為、変動・衝撃負荷に対しても優れた耐久性を発揮します。
■高耐久性
・金属同士の接触が無く、磨耗部がありません。
・水やほこりの影響を受けにくく、日常の保守が不要です。

