102-□-13
-
102-□-13
-
102-□-15
-
102-□-11
■小型精密機器を正確に制御するマイクロクラッチ
・事務機・通信機器・自動車機器などトルク・応答性の変動をきらう小型精密機器に最適な小型クラッチです。
■102モデル(小型クラッチ)
・ステータには、スペースを有効に利用できるフランジ取り付け形と軸上に簡単にセットできるベアリング取り付け形の2つがあります。
・取り付け形状の異なる3つのアーマチュアアッセンブリとを組合わせることにより、6種類のタイプを、取り付け条件に応じて選ぶことができます。
■フランジ取付(壁面取り付けタイプ)
・フランジ取り付け形ステータを使用します。
・ステータとロータを組み合わせてフレームなどの静止部に直接取り付け、固定します。
・軸方向の寸法が短く、壁際のスペースが有効に使用できます。
・通し軸、突き合わせ軸などの連結方法にあわせて、アーマチュアを選択します。
【アーマーチュア】
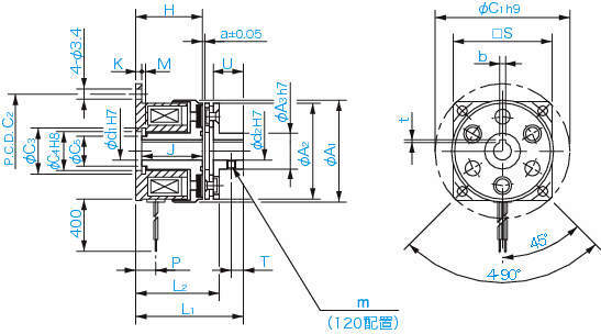
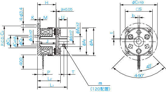
■ダイレクト取付け用(アーマチュア3型)
・突き合わせ・平行軸両用タイプ
・アーマチュア以外の部分(Vプーリ)などをお客様でご用意していただくタイプで、突き合わせ・通し軸どちらにも設計可能です。
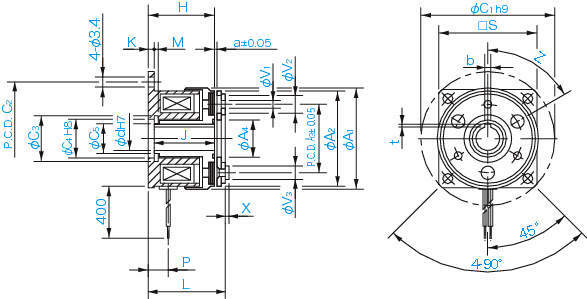
■通し軸用(アーマチュア5型)
・平行軸巻き掛け連結タイプ
・通し軸用アーマチュアアッセンブリを使用します。
・この使用法は比較的取り付けが容易になると同時に、非常に合理的な取り付けができます
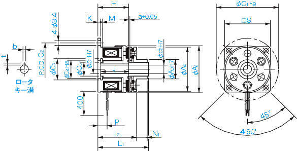
■突合せ軸用(アーマチュア1型)
・突き合わせタイプ
・突き合わせ軸用のアーマチュアアッセンブリを使用します。
・心出しなど、取り付けが面倒になり、合フランジを用いたり、フレキシブルカップリングの併用などが必要な場合もあります。
■電磁クラッチ・電磁ブレーキとは
・コイルに通電することにより発生する電磁力を利用して動力や回転運動を制御する装置です。
・クラッチは動力の連結と切り離し、ブレーキは回転運動の制動と保持を行い、その作動方法によって励磁作動形と無励磁作動形に分けることができます。
・励磁作動形とは、コイルへの通電を行うことで動作するクラッチ・ブレーキで、無励磁作動形とは、停電時などコイルへの通電が切れたときにスプリングの力で動作するブレーキを指します。
共通仕様
| 適用電源装置 | BES・BEH |
|---|

