・引張強さ・曲げ強さにすぐれたプラスティックねじ。
・耐疲労性・クリープ特性・電気絶縁性・耐蝕性・断熱性にすぐれています。また、磁性を帯びず、軽量(スティールの約1/5)です。
・電気絶縁性・非磁性特性を必要とするコンピュータなどの電子機器に。
・冷凍庫・冷蔵庫など断熱・結露防止の用途に。
・海洋機器・メッキ設備などの耐蝕・耐薬品用途に。
・自動車・航空機・宇宙機器など軽量化を必要とする用途に。
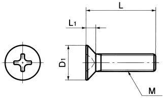
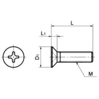
共通仕様
| 材質・仕上げ | RENY(ガラス繊維50%強化ポリアミドMXD6)(アイボリ) |
|---|---|
| 耐熱温度 | 105℃(UL規格94:HB) |

