・粗動・微動のできる回転ステージ。
・粗微動切り換えクランプをゆるめれば粗動回転、クランプを締めればマイクロメータにより微動回転となります。
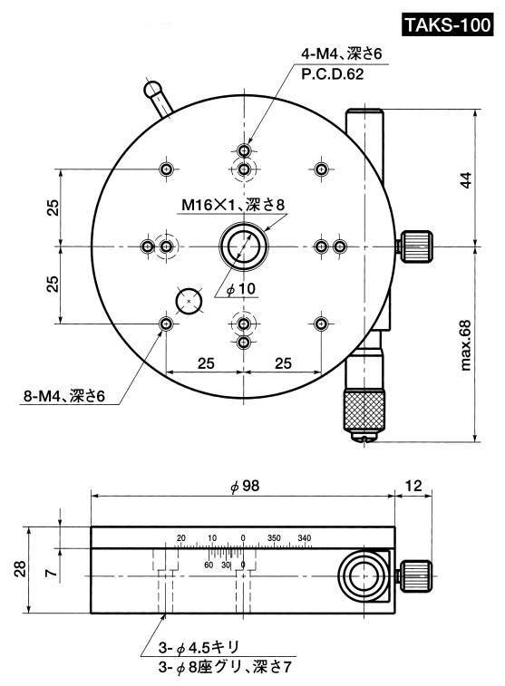
・取りつけ方法
“TAKS-100”にはステージ面に取りつけ用の穴があいています。ステージ面を回転させ、取りつけ穴に位置を合わせてねじを挿入してください。
共通仕様
| ステージ・本体 | TKSP:真鍮、黒色クロムメッキ TAKS-100:アルミニウム合金、アルマイト処理(黒) |
|---|
鍋屋バイテック会社
・粗動・微動のできる回転ステージ。
・粗微動切り換えクランプをゆるめれば粗動回転、クランプを締めればマイクロメータにより微動回転となります。
・取りつけ方法
“TAKS-100”にはステージ面に取りつけ用の穴があいています。ステージ面を回転させ、取りつけ穴に位置を合わせてねじを挿入してください。
| ステージ・本体 | TKSP:真鍮、黒色クロムメッキ TAKS-100:アルミニウム合金、アルマイト処理(黒) |
|---|
2件の型式
| 型式 | ステージ面 |
移動 ガイド |
回転範囲 |
質量 (g) |
同心度 | 面振れ | 平行度 | 表示分解能 | 位置分解能 |
許容荷重 (N) |
|
|---|---|---|---|---|---|---|---|---|---|---|---|
| 粗動範囲 | 微動範囲 | ||||||||||
| TKSP-60 | φ60 | すり合わせ方式 | 360° | ±5° | 600 | 0.02 | 0.02 | 0.05 | 1° | 1' | 68.6 |
| TAKS-100 | φ98 | すり合わせ方式 | 360° | ±5° | 700 | 0.02 | 0.02 | 0.05 | 5' | 1' | 68.6 |
・取りつけ用の十字穴付き小ねじ(M4×10:TKSP-60、M4×20:TAKS-100)が付属しています。
| 型式 | 商品コード | 単位 |
価格 (円) |
基準納期 | |
|---|---|---|---|---|---|
| 日伝 | メーカー | ||||
| TKSP-60 | TKSP-60 | P | 72,600 | - | 在庫品 |
| TAKS-100 | TAKS-100 | P | 90,800 | - | 在庫品 |
製品についてのご質問やお困りごとなどお気軽にご相談ください!