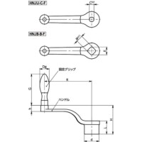
HNJU-F(丸穴)
-
HNJU-F(丸穴)
-
HNJB-F(角穴)
・丸穴(公差:H7)と角穴(公差:H11)が選択できます。
・ハンドル本体は静電塗装がされています。
・全サイズに固定グリップが付属しています。
・本商品の角穴は、DIN規格(DIN79)に従います。
・面取りE:角穴の角部は面取りをしています。
共通仕様
| ハンドル | FCD400相当 静電塗装(つや消し黒) |
|---|---|
| 固定グリップ | SUM22L 三価クロメート処理 |

