共通仕様
| レバー部 | 亜鉛ダイカスト 静電塗装 |
|---|---|
| ねじ | SUS303 |
| 止めねじ | SUS303 |
| スプリング | ステンレス鋼線 |
鍋屋バイテック会社
| レバー部 | 亜鉛ダイカスト 静電塗装 |
|---|---|
| ねじ | SUS303 |
| 止めねじ | SUS303 |
| スプリング | ステンレス鋼線 |
16件の型式
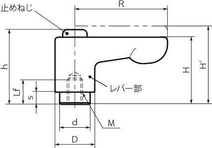
| 型式 | 色 | M | Lf min. | R | H | H' | h | s | D | d | 歯数 |
最大荷重 (N) |
最大締付力 (kN) |
質量 (g) |
|---|---|---|---|---|---|---|---|---|---|---|---|---|---|---|
| LHCFS-3-BK | つや消し黒 | M3 | 7 | 30 | 22 | 25.5 | 24.5 | 4 | 13 | 10 | 18 | 19 | 1.4 | 25 |
| LHCFS-3-OR | つや消しオレンジ | M3 | 7 | 30 | 22 | 25.5 | 24.5 | 4 | 13 | 10 | 18 | 19 | 1.4 | 25 |
| LHCFS-3-RD | つや消しレッド | M3 | 7 | 30 | 22 | 25.5 | 24.5 | 4 | 13 | 10 | 18 | 19 | 1.4 | 25 |
| LHCFS-3-SG | つや消しシルバー | M3 | 7 | 30 | 22 | 25.5 | 24.5 | 4 | 13 | 10 | 18 | 19 | 1.4 | 25 |
| LHCFS-4-BK | つや消し黒 | M4 | 8 | 30 | 22 | 25.5 | 24.5 | 4 | 13 | 10 | 18 | 44 | 2.4 | 24 |
| LHCFS-4-OR | つや消しオレンジ | M4 | 8 | 30 | 22 | 25.5 | 24.5 | 4 | 13 | 10 | 18 | 44 | 2.4 | 24 |
| LHCFS-4-RD | つや消しレッド | M4 | 8 | 30 | 22 | 25.5 | 24.5 | 4 | 13 | 10 | 18 | 44 | 2.4 | 24 |
| LHCFS-4-SG | つや消しシルバー | M4 | 8 | 30 | 22 | 25.5 | 24.5 | 4 | 13 | 10 | 18 | 44 | 2.4 | 24 |
| LHCFS-5-BK | つや消し黒 | M5 | 8 | 30 | 22 | 25.5 | 24.5 | 4 | 13 | 10 | 18 | 90 | 3.9 | 24 |
| LHCFS-5-OR | つや消しオレンジ | M5 | 8 | 30 | 22 | 25.5 | 24.5 | 4 | 13 | 10 | 18 | 90 | 3.9 | 24 |
| 型式 | 商品コード | 単位 |
価格 (円) |
基準納期 | |
|---|---|---|---|---|---|
| 日伝 | メーカー | ||||
| LHCFS-3-BK | LHCFS-3-BK | P | 1,100 | - | 在庫品 |
| LHCFS-3-OR | LHCFS-3-OR | P | 1,100 | - | 在庫品 |
| LHCFS-3-RD | LHCFS-3-RD | P | 1,100 | - | 在庫品 |
| LHCFS-3-SG | LHCFS-3-SG | P | 1,100 | - | 在庫品 |
| LHCFS-4-BK | LHCFS-4-BK | P | 1,100 | - | 在庫品 |
| LHCFS-4-OR | LHCFS-4-OR | P | 1,100 | - | 在庫品 |
| LHCFS-4-RD | LHCFS-4-RD | P | 1,100 | - | 在庫品 |
| LHCFS-4-SG | LHCFS-4-SG | P | 1,100 | - | 在庫品 |
| LHCFS-5-BK | LHCFS-5-BK | P | 1,100 | - | 在庫品 |
| LHCFS-5-OR | LHCFS-5-OR | P | 1,100 | - | 在庫品 |
製品についてのご質問やお困りごとなどお気軽にご相談ください!