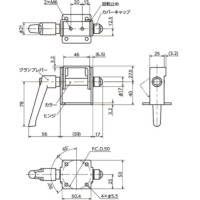
・ワークを角度調整できます。
・クランプレバーを締めつけることで、調整後の角度を保持します。
・回転止めで取りつけるワークの回転範囲を制限します。
・キーボードなど角度に制限があるワークに適しています。
・アルミフレーム端面取りつけ用ブラケットDAA、取りつけプレートDAF、丸パイプ用ブラケットDPBは組みつけ寸法に互換性があるため、加工なしでそのまま組み合わせて使用できます。
<使用上の注意>
・クランプレバーをゆるめた状態でも角度調整には一定のトルク(0.1N・m以上)が必要です。角度調整の際、搭載物に過負荷が加わらないようにご注意ください。
・固定用レバーを締めつけた状態で無理に角度調整しないでください。保持部が摩耗し、保持力が低下することがあります。
<用途>
工作機械/医療機器/FPD製造装置/半導体製造装置/梱包機械/食品機械
<取りつけ方法>
・取りつけねじ(M6)でワークを固定してください。
・装置への取りつけは六角穴付きボルト(M5)を使用してください。
共通仕様
| ヒンジ | SPCC 静電塗装(黒) |
|---|---|
| クランプレバー | ナイロン6(つや消し黒) |
| カバーキャップ | ポリエチレン(黒) |
| カラー | SPCC 三価クロメート処理 |

