HNGA-A
-
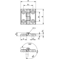
HNGA-A
・オール金属製のヒンジ。
・軽量なアルミ合金製。質量はステンレス製の約1/2。
・オプションで取りつけ用の六角穴付き皿小ねじ(SUSXM7製)を付属します。ねじ付属サービス(別料金)をご利用の場合は、商品品番の末尾に「-P」を追加してください。
共通仕様
| 本体 | アルミニウム合金 アルマイト処理 |
|---|---|
| ピン | SUS303 |
| 六角穴付き皿小ねじ(ねじ付属サービス) | SUSXM7 |

