LDM-PL
-
LDM-PL
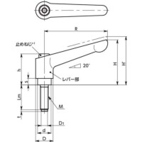
■ねじ先にパッドをつけたクランプレバー。
■ワークを傷つけずに締めつけができます。
■ねじ部は削り出しによる一体構造です。
■レバー部は、傷が目立ちにくい、つや消しタイプの静電塗装。
■レバー部のカラーバリエーションは4種類。
共通仕様
| レバー部 | 亜鉛ダイカスト、静電塗装(各色) |
|---|---|
| ねじ部 | SUM22L、四三酸化鉄皮膜(黒) |
| 止めねじ | スティール、四三酸化鉄皮膜(黒) |
| スプリング | ステンレス鋼線またはSWPB |
| パッド | ポリアセタール(白) |

