LDCMS-LWP-AS
-
LDCMS-LWP-AS
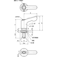
■長穴用座金が組み込まれた、オールステンレス製のミニクランプレバー。
■すぐれた耐蝕性と強度があります。
■座金座面部の突起が座金の回転を防止し、上面の指針が常にスケールを指し示すため、長穴を利用したスライド機構に適しています。
■座金はヌスミ加工部に組み込まれており、脱落を防止します。また、座金の組み込み作業も不要です。
■座金の外径はねじ径の約3倍。締めつけ部位に対して十分な座面を確保します。
■回し半径30mm。省スペースです。
■止めねじにはリセスがなく、ごみやほこりがたまりにくい形状です。衛生管理が求められる食品機械・薬品機械などの用途に適しています。
共通仕様
| レバー部 | SCS13(SUS304相当)、ショットブラスト |
|---|---|
| ねじ部 | SUS303 |
| 長穴用座金 | SUS303 |
| 止めねじ | SUS303 |
| スプリング | ステンレス鋼線 |

