LHM-LW・LHMS-LW
-
LHM-LW・LHMS-LW
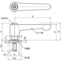
■平座金が組み込まれたクランプレバー。
■平座金はヌスミ加工部に組み込まれており、脱落を防止します。また、座金の組み込み作業も不要です。
■平座金の外径はねじ径の約3倍。締めつけ部位に対して十分な座面を確保します。
■座面圧を大きくできない樹脂部品や長穴部品などの締めつけに適しています。
■レバー形状はフラットタイプ。上部スペースに制限がある用途に適しています。
■レバー部は、傷が目立ちにくい、つや消しタイプの静電塗装。
■レバー部のカラーバリエーションは4種類。
共通仕様
| レバー部 | 亜鉛ダイカスト、静電塗装(各色) |
|---|---|
| ねじ部 | SUM22L、四三酸化鉄皮膜(黒) |
| 平座金 | SUS303 |
| 止めねじ | スティール、四三酸化鉄皮膜(黒) |
| スプリング | ステンレス鋼線 |

