LZY-GVB-B
-
LZY-GVB-B
・スパイラルラッチを利用した締結用のレバー。下方向への締めつけが無段階に調整できます。
・あらゆるポジションで強力にワークをクランプ。すばやく、確実な操作が可能です。
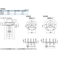
・水平レバータイプ。上部スペースに制限がある場合に適しています。
・相手部材をはさみ込むようにして、背面から六角穴付きボルトで取りつけます。固定用ブシュの内部にねじ穴加工済み。相手部材に適した長さを選択できます。
・六角穴付きボルトは豊富なねじ長さをラインアップ。取りつける相手部材に適した長さを選択できます。
・スパイラルラッチは焼入れ済み。耐摩耗性にすぐれています。
・商品記号により、回転方向が選択できます。
LZY-GVB-B-R:右回転
LZY-GVB-B-L:左回転
<使用上の注意>
・固定用ブシュへのねじ込み深さは、最大5mmです。使用可能な相手部材の厚みはL寸法-5~0です。相手部材がL寸法を超える場合には、ラッチレバーを固定できません。
共通仕様
| スパイラルラッチ | スティール 浸炭窒化 |
|---|---|
| スペーサ | スティール 浸炭窒化 |
| 固定用ブシュ | スティール 浸炭窒化 |
| 六角穴付きボルト(DIN912) | スティール |
| 六角穴付きボルト強度区分 | 12.9 |
| ワッシャー | スティール |
| レバー | スティール 四三酸化鉄皮膜(黒) |
| グリップ | フェノール樹脂(黒) |

