CBA-080AT3-HI
-
CBA-080AT3-HI
-
CBA-500AT3-HI
-
CBA-1200AT3-HI-V1
-
CBA-1600AT3
付着した微粉塵等を掃除機のような力で吸い上げる高圧型。 クリーンルームでご利用頂けます。(クリーンクラス100,000~10,000)
【特長】
・24時間連続運転可能。
・ブラシレスモーターを採用することにより、最大13.5kPaの高い吸引静圧を実現しました。
・高い吸引力を活かした細い配管や、スリット状のノズルを用いた付着粉塵の吸引に適しています。
・コンパクトな設計により、近年要望が高い装置の小型化に貢献します。
【一次フィルタ】
・ポリプロピレン不織布の5層からなるフィルタバッグ、各層の通気性を変えることにより目詰まりしにくく45μ以上では95%以上捕集できます。
・5層構造により、全体強度が高く、紙バックのように簡単に破れることはありません。
【二次フィルタ】
・ポリプロピレン製不織布をプリーツ折りフィルタに成形しています。
・外枠はABS樹脂またはポリプロピレンにて成型しています。
・捕集効率が高く0.3μを99%以上捕集できます。
【排気フィルタ】
・2次フィルタと同じフィルタを使用しており、1次、2次で捕集されなかった粒子を補修します。
・ファンモーター室で発塵した微粒子も捕集する目的で設置されています。
・0.3μを99%以上捕集し、クリーンクラス 100,000~10,000に設置できます。
・排気側にHEPAフ
-
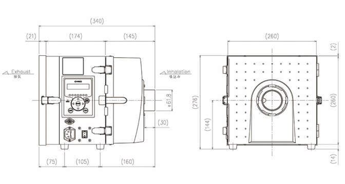
寸法図
-
カタログ・チラシ
-
資料
-
特集
-
集塵機選定のための基礎知識 1 ~風量型と高圧型~ まずは、風量型と高圧型の特性を理解しましょう。
風量型集塵機は換気扇のように風の量で吸い込むタイプの集塵機で、高圧型集塵機は掃除機のように高い圧力で吸い上げるタイプの集塵機です。
チコーエアーテックの集塵機は、様々な用途に対応できるよう20種類以上の豊富なラインナップを揃えています。大きく分類すると、風量型(低圧型)集塵機と高圧型集塵機に分かれ、集塵機を選定する際は、風量型と高圧型の特性を理解することが重要です。
本稿では、風量型と高圧型の違いや特性を、使用例とあわせて説明します。風量型と高圧型の違い
風量型集塵機と高圧型集塵機では粉塵の吸い込み方が異なります。
風量型集塵機は換気扇のように風の量で吸い込むタイプの集塵機で、高圧型集塵機は掃除機のように高い圧力で吸い上げるタイプの集塵機です。
風量型と高圧型の違いは、集塵機の中にあるブロアの特性によって生じます。一般的に、送風経路の静圧が高くなると、ブロアの送風量は小さくなるという関係にありますが、その相関関係はブロアによって異なります。静圧と送風量の関係を表した曲線を「性能曲線」といいます。
図1は性能曲線の例ですが、赤の曲線が高圧型集塵機の性能曲線、青の曲線が風量型集塵機の性能曲線を表しています。性能曲線を用いた風量の確認
実際に得られる風量を確認するには、性能曲線に加え、「抵抗曲線」が必要になります。抵抗曲線とは配管を通る風量と静圧の関係を表した曲線で、風量が大きくなると静圧も大きくなるため、右肩上がりの曲線になります。また、配管が細い場合など、圧力損失が大きければ、抵抗曲線の傾きは大きくなります。性能曲線と抵抗曲線の交点が、実際の使用点になります。
風量型集塵機の使い方
風量型集塵機は、大風量を生かして、空間に浮遊している粉塵を空気ごと広範囲に集塵するのに適しています。
広範囲に集塵するため、ダクトホースは比較的広口にして、先端のフードは角形や丸型(ラッパ型)のものを使用するのが一般的です。
付着粉塵を集塵する場合は、浮遊粉塵の集塵よりも大きな風速が必要なため、風量型集塵機では集塵できないことがあります。風量が大きくても、フードの開口面積が大きければ、風速は大きくならないためです。
このような場合は、エアーブローを併用して対策します。エアーブローで粉塵を浮かせてから、大風量を生かして吸引するのです。しかし、粉塵が静電気でワークに付着している場合は、エアーブローの効果が不十分なこともあります。その場合は、除電器(イオナイザー)を使用し、静電気を除去することでエアーブローの効果が発揮できます。
性能曲線による解説
性能曲線図を使って説明しましょう。図3をご覧ください。
圧力損失が小さい場合について考えます。抵抗曲線が図のようになる場合、発生する風量は、高圧型集塵機(CBA-1200AT3-HI-V1)で5.3㎥/min、風量型集塵機(SK-750AT-PM)では8.3㎥/minになります。このように圧力損失が小さい条件下では、高圧型より風量型の方が、風量は大きくなります。高圧型集塵機の使い方
高圧型集塵機は、静圧が高くても風量を確保できるため、開口面積の小さいフードやスリットノズルを使用し、大きな風速を発生させて、集塵するのに適しています。大きな風速により、付着粉塵でもエアーブローを併用せずに集塵することができます。また、配管を細くする必要がある場合も、静圧が高くなるため高圧型が適しています。
性能曲線による解説
性能曲線図を使って説明しましょう。図4をご覧ください。
圧力損失が大きい場合について考えます。抵抗曲線が図のようになる場合、発生する風量は、高圧型集塵機(CBA-1200AT3-HI-V1)で2.5㎥/min、風量型集塵機(SK-750AT-PM)では1.7㎥/minになります。このように圧力損失が大きい条件下では、風量型より高圧型の方が、風量は大きくなります。風量型集塵機の使用例
ハードコンタクト研削時の浮遊粉塵除去
研削加工では広範囲に粉塵が拡散します。広範囲に集塵する場合、風量を大きくする必要があります。
性能曲線図の最大風量の点からみても、広範囲の集塵には風量型集塵機が適しています。チップ、センサなど電子部品のエアーブロー集塵
浮遊粉塵と比べて、付着粉塵の集塵には大きい風速が必要です。
風量型集塵機は風速が小さいため、エアーブローを併用し、粉塵を表面から浮かせて集塵します。
エアーブローで粉塵が飛散しないよう、フードは囲い式のものがよく使われます。梱包前の携帯電話の表面に付着した異物の集塵
集塵する異物が静電気を帯びている場合には、イオナイザーを併用します。
静電気によって、クーロン力が生じるため、エアーブローの風速では表面から異物が剥がれません。
そのため、イオナイザーで静電気を中和してから、エアーブローを使って集塵します。CHIKOの風量型集塵機:CKUシリーズ
浮遊する微粉塵等を、換気扇のような風の力で吸い込む風量型の集塵機です。
クリーンルーム内でも使用することができ、メンテナンスも簡単な小型高性能集塵機です。CHIKOの風量型集塵機:SKシリーズ
一般環境で使用できる風量型の集塵機です。
前面のスケルトンパネルを開き、簡単にフィルタを交換することができます。
1次フィルタはバッグ式の為、手を汚すことなく交換可能です。
また、2次フィルタは、円筒フィルタを使用しています。
空気の流れの効率が高く、小型ながらパワーの大きい集塵機です。高圧型集塵機の使用例
液晶パネル表面のパーティクル除去
高圧型集塵機は、風速を大きくしやすいため、付着粉塵の集塵に適しています。
風量型集塵機と違い、エアーブローを併用する必要がありません。液晶パネル実装前の上下両面のスリット集塵
スリットノズルを使用し、開口面積を小さくすることで、高圧型集塵機は、大きな風速を確保できます。
粉塵対象が静電気を帯びていても、イオナイザーを併用せずに集塵することができます。ブラシクリーナーによる集塵
ブラシで埃を履き上げ、吸い上げます。手持ちサイズのホース径では、静圧が高くなります。
高静圧であっても、高圧集塵機であれば、大きな風速を確保することができるため、集塵することができます。CHIKOの高圧型集塵機:CBAシリーズ
付着した微粉塵を掃除機のような力で吸い上げる高圧型の集塵機です。
クリーンルーム内でもご使用いただくことができます。
2次電池製造工程等、小径配管やスリット状のノズルを用いた付着粉塵の除去に適しています。まとめ
集塵機の選定で困ったら
実際の機種選定では、必要風量や圧力損失など様々な要素を考慮して行います。
チコーエアーテックでは長年培った経験により、業種・設備ごとに適切な機種選定のお手伝いが可能です。
集塵機の選定で困った場合は、お気軽にご相談ください。







