モノづくりの困ったを解決する総合サイト

Produced by

チコーエアーテック

集塵機|フィルターレス前処理器 マジックロン MGC-180

MGC-180-02

  • MGC-180-02

・レーザー溶接などの工程で発生する、スパッタや細かい粉塵を捕集。
・高い捕集効率で集塵機のフィルタ目詰まりを軽減します。
・丸ごと水洗い可能。オールステンレス製なので、丸ごと水洗いができ、清掃が容易です。
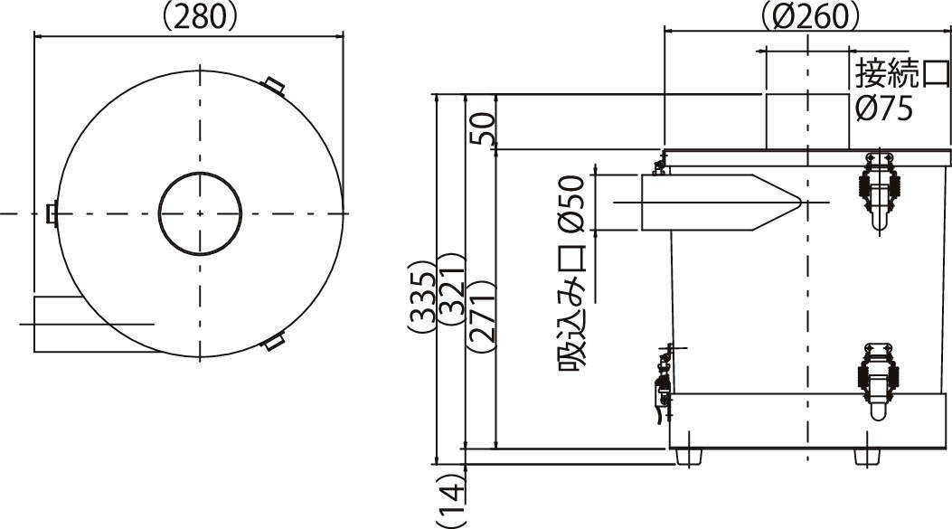
・コンパクト設計。D280×W260×H335mmのコンパクトな設計です。場所を選ばず設置できます。(MGC-180-02)
・接続口:φ75mmホース接続。
・簡単ゴミ捨て。キャッチクリップを外すだけで、捕集した粉塵を簡単に捨てることができます。(回収容器標準)
・吸込み口:φ50mmホース接続。
・低コスト:導入しやすい低価格設定です。

<用途一覧>
・端子溶接時のスパッタや微粉塵の回収。
・レーザー溶接、封止時のスパッタや微粉塵の回収。
・紙箱へのレーザー印字工程における紙粉回収。
・ハーネスカット、被覆剥離時の粉塵回収。
・基板分割工程の微粉塵回収。

#集塵機

詳細仕様

  • 2件中 1-2件

  • 表示件数

2件の型式

型式 処理風量
(m3/min)
塵室容量
(L)
接続口
(mm)
吸込口
(mm)
本体寸法
(D×W×H)
(mm)
重量
(kg)
MGC-180-02 1.5~3.0 2.0 φ75 φ50 280×260×335 5.3
MGC-180-20-OMR 1.5~3.0 20.0 φ75 φ50 380×302×616 8.0

型式 商品コード 単位 価格
(円)
基準納期
日伝 メーカー
MGC-180-02 MGC-180-02 P 105,600 - 10日間
MGC-180-20-OMR MGC-180-20-OMR P 352,000 - 20日間

この製品を見た人はこのような製品も見ています

1952年設立で、動力伝導機器・産業機器・制御機器等の機械設備及び機械器具関連製品の販売をしている専門総合商社です。
日本国内で40以上の拠点を持ち、信頼性の高い製品と技術力で、全国のものづくりに携わる方々のあらゆるお困りごとを解決しています。

Loading...