US-927P
-
US-927P
-
US-927P
NEW US-VALVES / NEW満弁くん
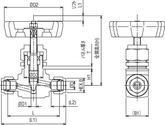
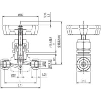
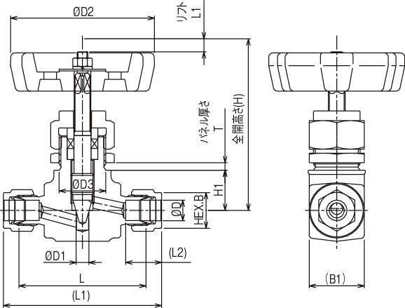
■高圧ガス大臣認定品として、安全設計を行っております。
■ボディは堅牢な鍛造仕上げで、且つボンネットレス形のため、コンパクトです。
■ステムの形状がニードルになっておりますので、精密で安定性のある流量調整が容易にできます。
■フジキン独自の組合せパッキンと、操作性を重視した設計により、ハンドルトルクが低く、シール性のよい構造となっております。
■ハンドルは、水抜き穴があり操作性のよい形状で、弁番号銘板も取付けやすくなっております。
■ボディは、Uボルトで固定し易い形状となっております。
共通仕様
| 材質 | ・ボディ:SUSF316 ・ステム:SUS316 ・グランドパッキン:C-PTFE+PTFE ・ハンドル:ADC12 |
|---|---|
| 最高使用圧力 | 26.5MPa |
| 使用温度範囲 | -45~+230℃ |

