NCFC
-
NCFC
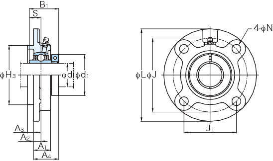
■軸受ユニット:NCFCタイプ
・NCFCは丸形のフランジおよび取付け面に印ろうを持つ軸受箱で印ろう部を機械本体の取付け穴にはめ込むことで、軸受箱を正確な位置に取付けることが出来ます。
■インサート軸受:NC形
・NC形軸受は同心固定輪によって360度全周から締めつけるNU-LOCシステムで軸に固定します。
・内径公差も小さく、回り止めが付くことにより、送風機にも適しています。
・一般の六角レンチで簡単に素早く取り付けることが可能です。

