不安定だった黒色ボディの車も確実検出
・測定原理にはパルス光によるTOF方式を採用しています。
・受光感度のアップにより、苦手な黒色検出性能を大幅に改善。さらに長距離検出が可能になりました。
・電源電圧 DC10~30V。消費電流 250mA以下(DC24V、定常時)。
・建設現場でのレーザバリア等にご検討いただけます。
ON/OFFディレイ設定可能
・速い動きの物体をキャンセルすることができます。
近距離不感帯領域設定機能付
・ほこりや汚れなどを検出しません。
最小検出物設定機能付き。
・小動物や枯葉などを検出しません。
16パターンの検出エリアの切り替えが可能
・検出出力3点と故障出力を搭載しまています。
共通仕様
| 種類 | 検出エリア設定タイプ |
|---|---|
| 電源電圧 | DC10~30V |
| 消費電流 | 定常時:DC10/12V時 500mA以下、DC24V時 250mA以下 起動時:DC10V 2A以下、DC12V 1.5A以下、DC24V 0.75A以下 |
| 光源 | 半導体レーザ λ=905nm (レーザ安全クラス1) |
| 測距原理 | Time Of Flight方式(パルス式) |
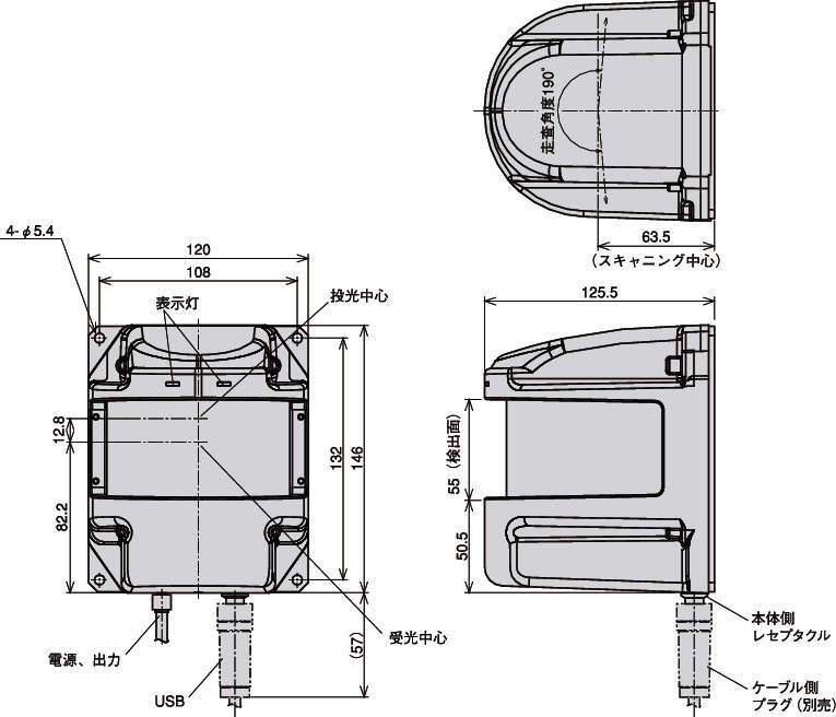
| 測距範囲 | 検出保障値:0.1~30m(黒10%反射物500mm□) 最大検出距離:100m(出力限界値) 角度:190° |
| 検出物体 | 5m:65mm、10m:130mm、30m:400mm(いずれも距離に対して最小の検出物) |
| 測距精度 | 使用周囲照度3000lx以下→0.10~10m:±50mm(500mm□以上、黒10%反射物) 使用周囲照度100000lx以下→0.1~30m:±100mm(500mm□以上、黒10%反射物) |
| 角度分解能 | ステップ角:0.25°(360°/1440分割) |
| 光軸径 | 10m:50×100mm、20m:100×150mm、30m:150×200mm(W×H、参考値) |
| 走査時間 | 50ms/scan(モータ回転数1200rpm) |
| インターフェース | USB2.0(Full Speed、12Mbps、エリア設定用) 故障出力、出力1・2・3(Nchオープンドレイン出力 DC30mV 100mA以下)、出力1・2・3:エリア内検出で出力OFF、故障出力:正常動作時出力ON |
| 保護構造 | IP67(IEC規格) |
| ケース材質 | ケール前面部:ポリカーボネート ケース背面部:アルミ |
| 質量 | 約800g |

