モノづくりの困ったを解決する総合サイト

Produced by

鍋屋バイテック会社

カップリング|カプリコン(シングルディスクタイプ) XHSシリーズ

・シングルディスクタイプのフレキシブルカップリングです。
・従来品より常用トルクが1.5倍の高トルク仕様です。
・瞬時最大トルク350%のサーボモータに最適です。
・ステンレス製ディスクが、偏心・偏角・エンドプレイを許容します。

・バックラッシュ0
・高トルク
・高剛性

#カップリング
#ステンレス
#ノンバックラッシ

共通仕様

材質(ハブ) A2017 アルマイト処理
材質(ディスク固定ボルト) SCM435 四三酸化鉄皮膜(黒)
材質(ディスク) SUS304
材質(カラー) SUS304
材質(六角穴付きボルト) SCM435 四三酸化鉄皮膜(黒)

CADメーカーTOP

詳細仕様

  • 835件中 1-10件

  • 表示件数

835件の型式

型式 形状 タイプ サイズ 寸法(mm) ねじ締めつけ
トルク
(N・m)
標準軸穴径
(mm)
常用
トルク
(N・m)
スリップ
トルク
(N・m)
最高
回転数
(min-1)
慣性
モーメント
(kg・cm2)
静的ねじり
ばね定数
(N・m/rad)
許容
偏心
(mm)
許容
偏角
(°)
許容
エンドプレイ
(mm)
質量
(g)
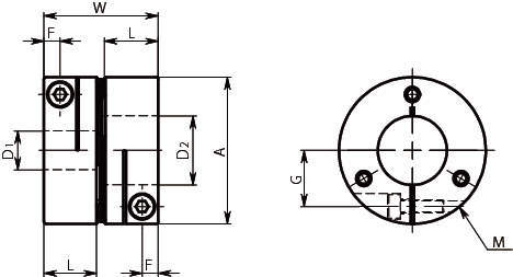
A L W F G M D1 D2
XHS-15C-3×3 スタンダードタイプ クランピング XHS-15C 15 7.8 16.5 2.3 5 M2 0.45 3 3 0.6 - 42000 2.2×10^-7 110 0.01 0.7 ±0.1 6.6
XHS-15C-3×4 スタンダードタイプ クランピング XHS-15C 15 7.8 16.5 2.3 5 M2 0.45 3 4 0.6 - 42000 2.2×10^-7 110 0.01 0.7 ±0.1 6.6
XHS-15C-3×5 スタンダードタイプ クランピング XHS-15C 15 7.8 16.5 2.3 5 M2 0.45 3 5 0.6 - 42000 2.2×10^-7 110 0.01 0.7 ±0.1 6.6
XHS-15C-3×6 スタンダードタイプ クランピング XHS-15C 15 7.8 16.5 2.3 5 M2 0.45 3 6 0.6 - 42000 2.2×10^-7 110 0.01 0.7 ±0.1 6.6
XHS-15C-4×4 スタンダードタイプ クランピング XHS-15C 15 7.8 16.5 2.3 5 M2 0.45 4 4 0.6 - 42000 2.2×10^-7 110 0.01 0.7 ±0.1 6.6
XHS-15C-4×5 スタンダードタイプ クランピング XHS-15C 15 7.8 16.5 2.3 5 M2 0.45 4 5 0.6 - 42000 2.2×10^-7 110 0.01 0.7 ±0.1 6.6
XHS-15C-4×6 スタンダードタイプ クランピング XHS-15C 15 7.8 16.5 2.3 5 M2 0.45 4 6 0.6 - 42000 2.2×10^-7 110 0.01 0.7 ±0.1 6.6
XHS-15C-5×5 スタンダードタイプ クランピング XHS-15C 15 7.8 16.5 2.3 5 M2 0.45 5 5 0.6 - 42000 2.2×10^-7 110 0.01 0.7 ±0.1 6.6
XHS-15C-5×6 スタンダードタイプ クランピング XHS-15C 15 7.8 16.5 2.3 5 M2 0.45 5 6 0.6 - 42000 2.2×10^-7 110 0.01 0.7 ±0.1 6.6
XHS-15C-6×6 スタンダードタイプ クランピング XHS-15C 15 7.8 16.5 2.3 5 M2 0.45 6 6 0.6 - 42000 2.2×10^-7 110 0.01 0.7 ±0.1 6.6

・スリップトルクは、軸のスリップトルクが、常用トルクよりも小さい場合のみ記載しています。

型式 商品コード 単位 価格
(円)
基準納期
日伝 メーカー
XHS-15C-3×3 XHS-15C-3-3 P 4,280 - 在庫品
XHS-15C-3×4 XHS-15C-3-4 P 4,280 - 在庫品
XHS-15C-3×5 XHS-15C-3-5 P 4,280 - 在庫品
XHS-15C-3×6 XHS-15C-3-6 P 4,280 - 在庫品
XHS-15C-4×4 XHS-15C-4-4 P 4,280 - 在庫品
XHS-15C-4×5 XHS-15C-4-5 P 4,280 - 在庫品
XHS-15C-4×6 XHS-15C-4-6 P 4,280 - 在庫品
XHS-15C-5×5 XHS-15C-5-5 P 4,280 - 在庫品
XHS-15C-5×6 XHS-15C-5-6 P 4,280 - 在庫品
XHS-15C-6×6 XHS-15C-6-6 P 4,280 - 在庫品

この製品を見た人はこのような製品も見ています

1952年設立で、動力伝導機器・産業機器・制御機器等の機械設備及び機械器具関連製品の販売をしている専門総合商社です。
日本国内で40以上の拠点を持ち、信頼性の高い製品と技術力で、全国のものづくりに携わる方々のあらゆるお困りごとを解決しています。

Loading...