モノづくりの困ったを解決する総合サイト

Produced by

鍋屋バイテック会社

カップリング|カプリコン(ディスクタイプ) XBW・XBWSシリーズ

・ディスクタイプのフレキシブルカップリングです。
・ステンレスディスクが偏心・偏角・エンドプレイを許容します。
・XBWのハブには、アルミニウム合金のなかで最高強度をもつ超々ジュラルミン(A7075)を採用。
・XBWSは、ステンレスハブを使用したオールステンレスタイプ。

・バックラッシュ0
・高剛性

#アルミ
#カップリング
#ステンレス
#ノンバックラッシ

共通仕様

材質(ハブ) XBW:A7075
XBWS:SUS303
材質(スペーサ) XBW:A7075
XBWS:SUS303
材質(ボルト) XBW:SCM435、四三酸化鉄皮膜(黒)
XBWS:SUSXM7
材質(ディスク) SUS304
材質(カラー) SUS304
材質(六角穴付きボルト) XBW:SCM435、四三酸化鉄皮膜(黒)
XBWS:SUSXM7

CADメーカーTOP

詳細仕様

  • 800件中 1-10件

  • 表示件数

800件の型式

型式 材質 タイプ サイズ 寸法(mm) ねじ締めつけ
トルク
(N・m)
標準軸穴径
(mm)
常用
トルク
(N・m)
スリップ
トルク
(N・m)
最高
回転数
(min-1)
慣性
モーメント
(kg・cm2)
静的ねじり
ばね定数
(N・m/rad)
許容
偏心
(mm)
許容
偏角
(°)
許容
エンドプレイ
(mm)
質量
(g)
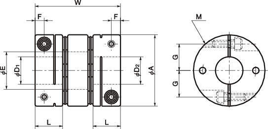
A L W E F D1 D2
XBW-15C2-3×3 アルミニウム合金 クランピング XBW-15C 15 7.5 22 6.1 2.3 0.5 3 3 0.6 - 42000 2.2×10^-7 200 0.05 1 ±0.2 7.5
XBW-15C2-3×4 アルミニウム合金 クランピング XBW-15C 15 7.5 22 6.1 2.3 0.5 3 4 0.6 - 42000 2.2×10^-7 200 0.05 1 ±0.2 7.5
XBW-15C2-3×5 アルミニウム合金 クランピング XBW-15C 15 7.5 22 6.1 2.3 0.5 3 5 0.6 - 42000 2.2×10^-7 200 0.05 1 ±0.2 7.5
XBW-15C2-3×6 アルミニウム合金 クランピング XBW-15C 15 7.5 22 6.1 2.3 0.5 3 6 0.6 - 42000 2.2×10^-7 200 0.05 1 ±0.2 7.5
XBW-15C2-4×4 アルミニウム合金 クランピング XBW-15C 15 7.5 22 6.1 2.3 0.5 4 4 0.6 - 42000 2.2×10^-7 200 0.05 1 ±0.2 7.5
XBW-15C2-4×5 アルミニウム合金 クランピング XBW-15C 15 7.5 22 6.1 2.3 0.5 4 5 0.6 - 42000 2.2×10^-7 200 0.05 1 ±0.2 7.5
XBW-15C2-4×6 アルミニウム合金 クランピング XBW-15C 15 7.5 22 6.1 2.3 0.5 4 6 0.6 - 42000 2.2×10^-7 200 0.05 1 ±0.2 7.5
XBW-15C2-5×5 アルミニウム合金 クランピング XBW-15C 15 7.5 22 6.1 2.3 0.5 5 5 0.6 - 42000 2.2×10^-7 200 0.05 1 ±0.2 7.5
XBW-15C2-5×6 アルミニウム合金 クランピング XBW-15C 15 7.5 22 6.1 2.3 0.5 5 6 0.6 - 42000 2.2×10^-7 200 0.05 1 ±0.2 7.5
XBW-15C2-6×6 アルミニウム合金 クランピング XBW-15C 15 7.5 22 6.1 2.3 0.5 6 6 0.6 - 42000 2.2×10^-7 200 0.05 1 ±0.2 7.5

・スリップトルクは、軸のスリップトルクが、常用トルクよりも小さい場合のみ記載しています。 ・XBWのスリップトルクについては、お問合せください。

型式 商品コード 単位 価格
(円)
基準納期
日伝 メーカー
XBW-15C2-3×3 XBW-15C2-3-3 P 5,580 - 在庫品
XBW-15C2-3×4 XBW-15C2-3-4 P 5,580 - 在庫品
XBW-15C2-3×5 XBW-15C2-3-5 P 5,580 - 在庫品
XBW-15C2-3×6 XBW-15C2-3-6 P 5,580 - 在庫品
XBW-15C2-4×4 XBW-15C2-4-4 P 5,580 - 在庫品
XBW-15C2-4×5 XBW-15C2-4-5 P 5,580 - 在庫品
XBW-15C2-4×6 XBW-15C2-4-6 P 5,580 - 在庫品
XBW-15C2-5×5 XBW-15C2-5-5 P 5,580 - 在庫品
XBW-15C2-5×6 XBW-15C2-5-6 P 5,580 - 在庫品
XBW-15C2-6×6 XBW-15C2-6-6 P 5,580 - 在庫品

この製品を見た人はこのような製品も見ています

1952年設立で、動力伝導機器・産業機器・制御機器等の機械設備及び機械器具関連製品の販売をしている専門総合商社です。
日本国内で40以上の拠点を持ち、信頼性の高い製品と技術力で、全国のものづくりに携わる方々のあらゆるお困りごとを解決しています。

Loading...