SNSLG
-
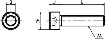
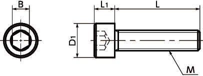
SNSLG
・高強度のステンレス製六角穴付きボルト
・引張強さ1000N/mm2、0.2%耐力800N/mm2
・一般的なステンレス製の六角穴付きボルトに比べ約1.8倍の耐力があります。ねじ径のサイズダウンや本数削減による省スペース・軽量化が可能です。
・SUS316L製。耐蝕性にすぐれています。
・非磁性。
・JIS B 1176、ISO 4762、DIN 912に準拠。
<用途>
・省スペース化・軽量化
・FPD製造装置/半導体製造装置/機器・装置構造体/海洋機器/一般産業機械
共通仕様
| 本体 | SUS316L |
|---|

