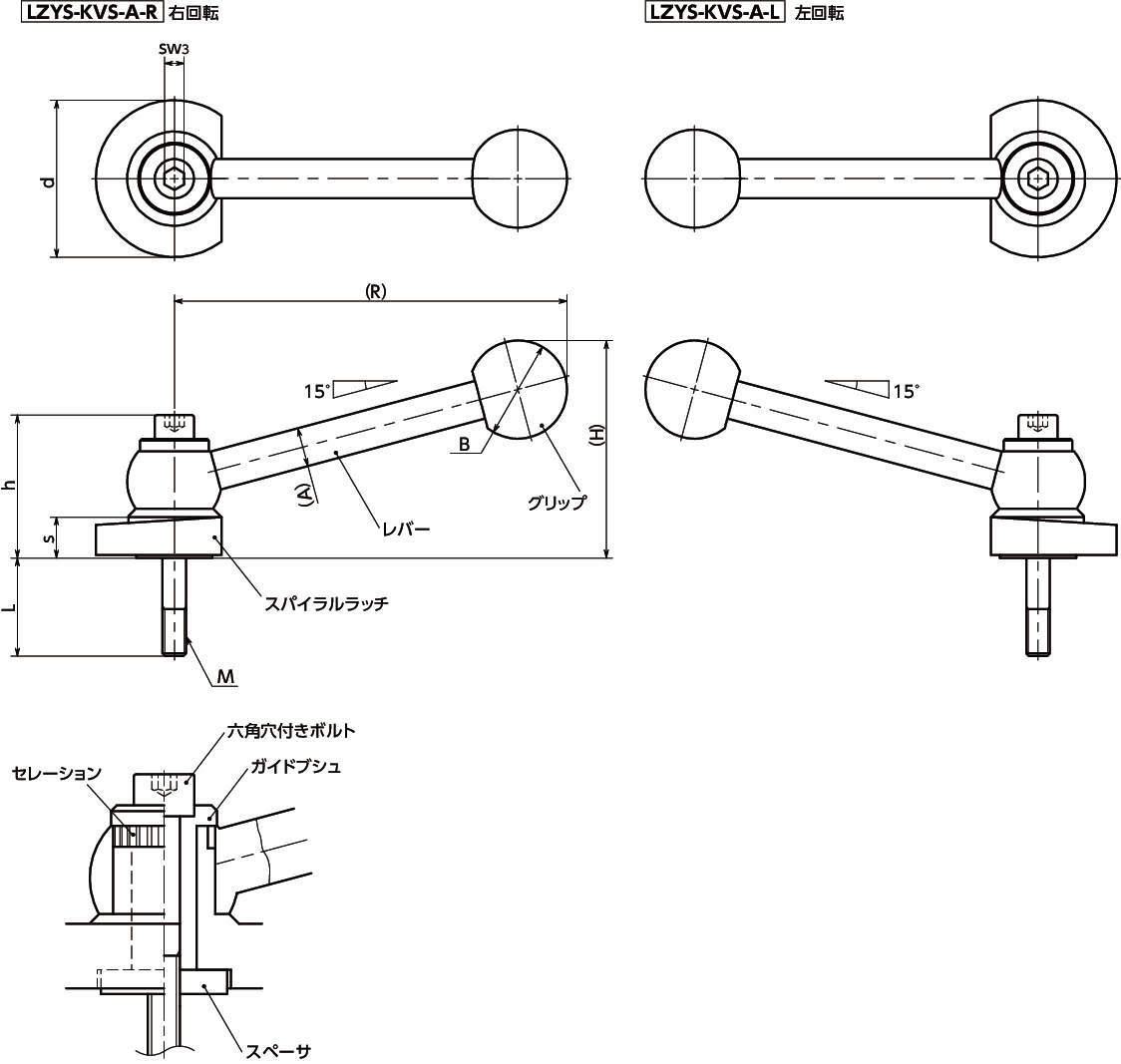
LZY-KVB-A
-
LZY-KVB-A
・スパイラルラッチを利用した締結用のレバー。上方向への締めつけが無段階に調整できます。
・あらゆるポジションで強力にワークをクランプ。すばやく、確実な操作が可能です。
・角度つきレバータイプ。手が入りやすく、レバーを握るスペースを確保できます。
・相手部材に前面から六角穴付きボルトで取りつけます。六角穴付きボルトは豊富なねじ長さをラインアップ。取りつける相手部材に適した長さを選択できます。
・グリップ以外はステンレス製。
・商品記号により、回転方向が選択できます。
LZYS-KVS-A-R:右回転
LZYS-KVS-A-L:左回転
<使用上の注意>
・取りつけの際は相手部材の材質や必要な強度に合わせて、十分なねじ込み深さを確保してください。
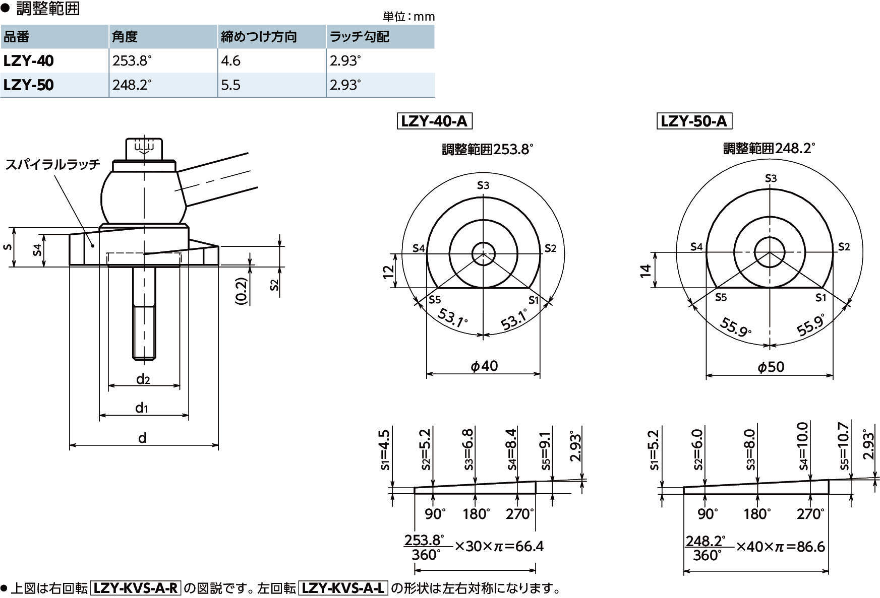
共通仕様
| スパイラルラッチ | SUS303相当 無電解ニッケルメッキ |
|---|---|
| スペーサ | SUS630相当 |
| ガイドブシュ | SUS630相当 |
| 六角穴付きボルト(DIN912) | ステンレス |
| 六角穴付きボルト強度区分 | A2-70 |
| レバー | SUS303相当 ショットブラスト |
| グリップ | フェノール樹脂(黒) |

