3600シリーズ
-
3600シリーズ
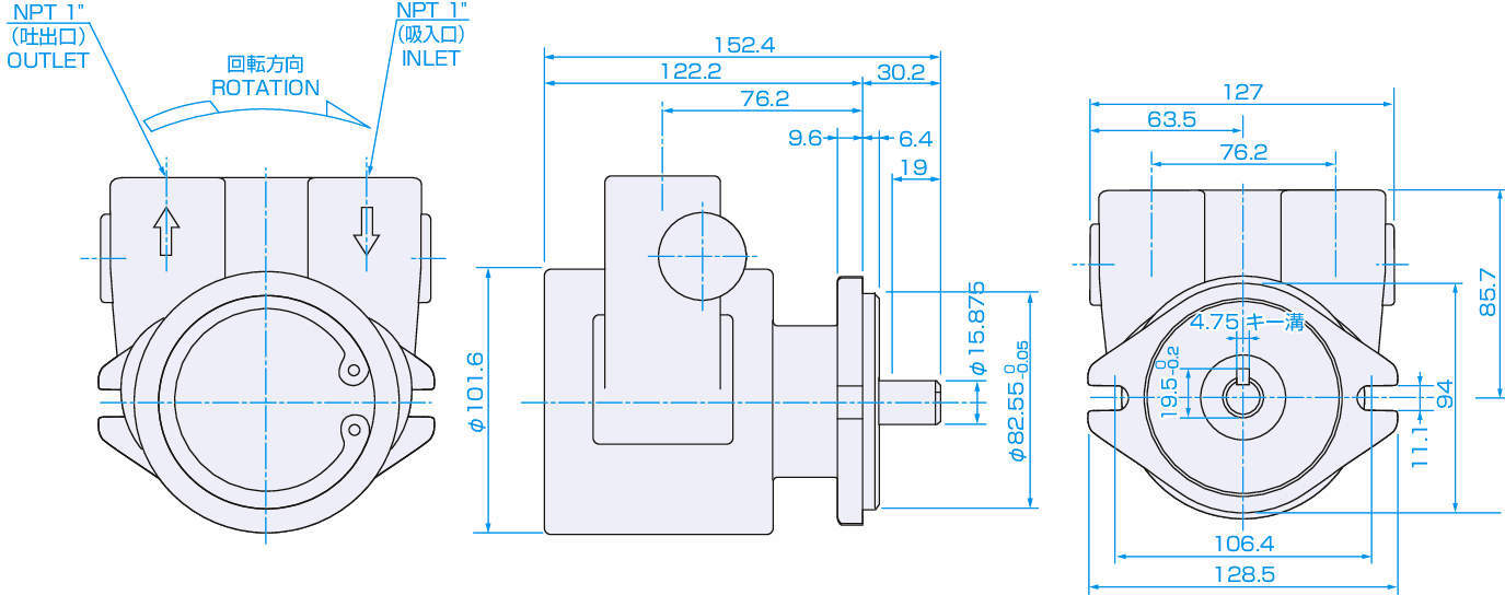
■プロコンポンプ
・回転するベーン(羽根)によって水を移送する自吸式のポンプです。
■特殊な構造と内部素材を採用することで、金属同士の接触がなく、始動時の低トルク化が実現しました。
■運転音が静かで、振動と脈動が小さいポンプです。
■圧力の変動にかかわらず、流量をほぼ一定に保ちます。
・長期保管後に使用する場合はポンプ吸入側ポートより水を注入してから運転してください。
■大容量水ポンプ
・16.1~41.8L/min
■ポンプ本体材質:ステンレススチール
・ハウジングは飲料水用として使用できる食品衛生規格の適合材質ステンレススチールタイプです。
■食品機器、理化学機器などの水流をコントロール
・高圧で吐出することが可能で、ベーンなどの摺動部には摩擦の少ないカーボングラファイトを採用することで、金属間の接触をなくし、高い静音性と耐久性を実現しました。
・用途は多岐にわたり、アルコール飲料サーバーや炭酸飲料カップ自動販売機、ファミリーレストランなどで使用されているソフトドリンクサーバー、溶接用冷却システムや水圧発生装置などの機械産業分野、そして、純水製造装置などの逆浸透膜への圧送用などへと可能性を広げ続けています。
■用途
食品機器、飲料機器、浄水器、理化学機器、洗浄機器、農業機器、一般産業機器など

