AS-FSM/FSC(ユニバーサル)
-
AS-FSM/FSC(ユニバーサル)
-
ガスケット(M・UNF)
-
シール剤(R・NPT)
-
パッキン(G)
■領域の分解能向上により微調整が可能
・AS-FSMシリーズ: 1~50mm/s
・AS-FSCシリーズ:50~150mm/s
■流量の数値管理で「作業工数削減」「設定ミス低減」に貢献!
■流量の数値管理が可能な目盛窓
・広い視野角を実現現。
■大型化されたプッシュロック式ハンドル
・ハンドルが大きく回転しやすい、微調整がやりやすい。
・ニードルロックの作業性貢献。
・90°刻みの目印で操作性アップ。
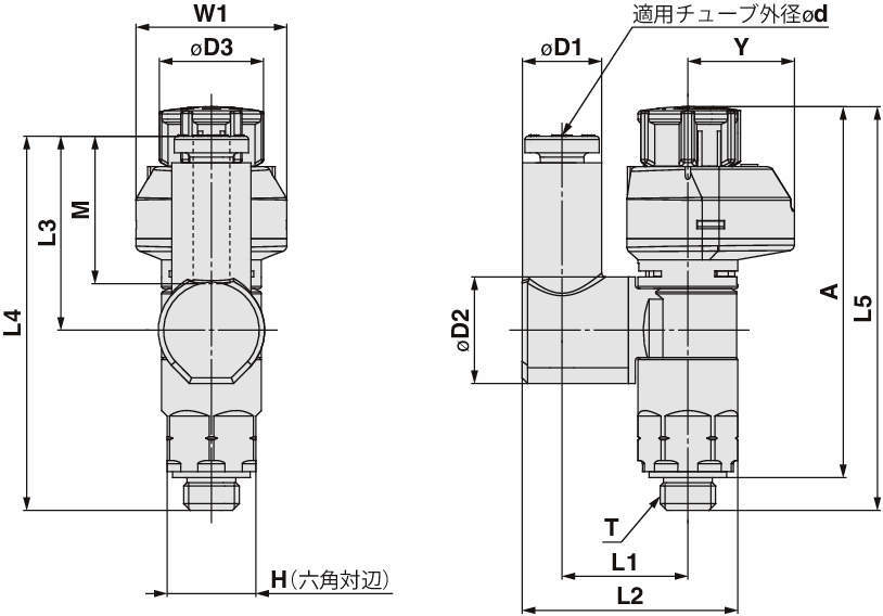
■チューブ取付け方向が360°自由自在
・ユニバーサルタイプは配管方向を360°自由自在に設定できます。
■パッキンシール方式をラインナップ

