AS-F-D(エルボ)
-
AS-F-D(エルボ)
-
AS-F-D(エルボ)
■マイナスドライバ調整用
・不用意な手動操作を防止。
SMC
AS-F-D(エルボ)
AS-F-D(エルボ)
AS-F-D(エルボ)
■マイナスドライバ調整用
・不用意な手動操作を防止。
218件の型式
| 型式 | タイプ | 形状 |
ボディ サイズ |
制御方式 | 適用チューブ | 管接続部 | 流量(L/min(ANR)) | C値:音速コンダクタンス(dm3/(s・bar)) | b値:臨界圧力比 |
最高 使用圧力 |
最低 使用圧力 |
保証 耐圧力 |
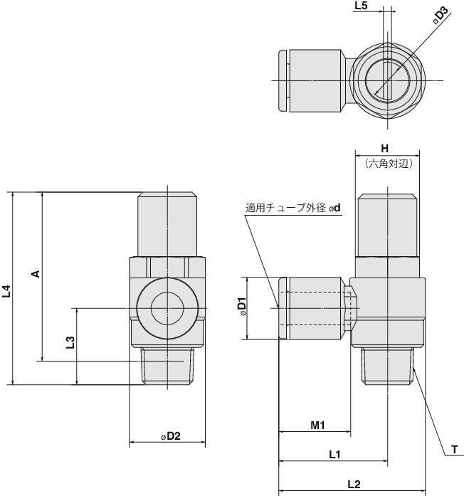
H (mm) |
D1 (mm) |
D2 (mm) |
D3 (mm) |
L1 (mm) |
L2 (mm) |
L3 (mm) |
L4 (mm) |
L5 (mm) |
A (mm) |
M1 (mm) |
質量 (g) |
オーダーメイド仕様 | ||||||
|---|---|---|---|---|---|---|---|---|---|---|---|---|---|---|---|---|---|---|---|---|---|---|---|---|---|---|---|---|---|---|---|
| タイプ | 外径 φd | シール方式 | ねじタイプ | 接続口径 T | 自由流れ | 制御流れ | 自由流れ | 制御流れ | 自由流れ | 制御流れ | |||||||||||||||||||||
| AS1201F-M5-23D | AS-F-D | エルボ | 1 | メータアウト | ミリ | φ3.2mm | ガスケットシール | M | M5×0.8 | 100 | 100 | 0.3 | 0.3 | 0.4 | 0.2 | 1MPa | 0.1MPa | 1.5MPa | 8 | 8.4 | 9.6 | 4.7 | 17.3 | 22.1 | 12.3 | 31 | 0.7 | 27.4 | 12.7 | 10 | - |
| AS1201F-M5-23D-X12 | AS-F-D | エルボ | 1 | メータアウト | ミリ | φ3.2mm | ガスケットシール | M | M5×0.8 | 100 | 100 | 0.3 | 0.3 | 0.4 | 0.2 | 1MPa | 0.1MPa | 1.5MPa | 8 | 8.4 | 9.6 | 4.7 | 17.3 | 22.1 | 12.3 | 31 | 0.7 | 27.4 | 12.7 | 10 | 潤滑剤:ワセリン |
| AS1201F-M5-23D-X21 | AS-F-D | エルボ | 1 | メータアウト | ミリ | φ3.2mm | ガスケットシール | M | M5×0.8 | 100 | 100 | 0.3 | 0.3 | 0.4 | 0.2 | 1MPa | 0.1MPa | 1.5MPa | 8 | 8.4 | 9.6 | 4.7 | 17.3 | 22.1 | 12.3 | 31 | 0.7 | 27.4 | 12.7 | 10 | ノングリース(シリーズ材 フッ素コーティング)+絞り弁(チェック弁なし) |
| AS1201F-M5-23D-X214 | AS-F-D | エルボ | 1 | メータアウト | ミリ | φ3.2mm | ガスケットシール | M | M5×0.8 | 100 | 100 | 0.3 | 0.3 | 0.4 | 0.2 | 1MPa | 0.1MPa | 1.5MPa | 8 | 8.4 | 9.6 | 4.7 | 17.3 | 22.1 | 12.3 | 31 | 0.7 | 27.4 | 12.7 | 10 | 絞り弁(チェック弁なし) |
| AS1201F-M5-04D | AS-F-D | エルボ | 1 | メータアウト | ミリ | φ4mm | ガスケットシール | M | M5×0.8 | 100 | 100 | 0.3 | 0.3 | 0.4 | 0.2 | 1MPa | 0.1MPa | 1.5MPa | 8 | 9.3 | 9.6 | 4.7 | 17.3 | 22.1 | 12.3 | 31 | 0.7 | 27.4 | 12.7 | 10 | - |
| AS1201F-M5-04D-X12 | AS-F-D | エルボ | 1 | メータアウト | ミリ | φ4mm | ガスケットシール | M | M5×0.8 | 100 | 100 | 0.3 | 0.3 | 0.4 | 0.2 | 1MPa | 0.1MPa | 1.5MPa | 8 | 9.3 | 9.6 | 4.7 | 17.3 | 22.1 | 12.3 | 31 | 0.7 | 27.4 | 12.7 | 10 | 潤滑剤:ワセリン |
| AS1201F-M5-04D-X21 | AS-F-D | エルボ | 1 | メータアウト | ミリ | φ4mm | ガスケットシール | M | M5×0.8 | 100 | 100 | 0.3 | 0.3 | 0.4 | 0.2 | 1MPa | 0.1MPa | 1.5MPa | 8 | 9.3 | 9.6 | 4.7 | 17.3 | 22.1 | 12.3 | 31 | 0.7 | 27.4 | 12.7 | 10 | ノングリース(シリーズ材 フッ素コーティング)+絞り弁(チェック弁なし) |
| AS1201F-M5-04D-X214 | AS-F-D | エルボ | 1 | メータアウト | ミリ | φ4mm | ガスケットシール | M | M5×0.8 | 100 | 100 | 0.3 | 0.3 | 0.4 | 0.2 | 1MPa | 0.1MPa | 1.5MPa | 8 | 9.3 | 9.6 | 4.7 | 17.3 | 22.1 | 12.3 | 31 | 0.7 | 27.4 | 12.7 | 10 | 絞り弁(チェック弁なし) |
| AS1201F-M5-06D | AS-F-D | エルボ | 1 | メータアウト | ミリ | φ6mm | ガスケットシール | M | M5×0.8 | 100 | 100 | 0.3 | 0.3 | 0.4 | 0.2 | 1MPa | 0.1MPa | 1.5MPa | 8 | 11.6 | 9.6 | 4.7 | 18.1 | 22.9 | 11.7 | 31 | 0.7 | 27.4 | 13.5 | 10 | - |
| AS1201F-M5-06D-X12 | AS-F-D | エルボ | 1 | メータアウト | ミリ | φ6mm | ガスケットシール | M | M5×0.8 | 100 | 100 | 0.3 | 0.3 | 0.4 | 0.2 | 1MPa | 0.1MPa | 1.5MPa | 8 | 11.6 | 9.6 | 4.7 | 18.1 | 22.9 | 11.7 | 31 | 0.7 | 27.4 | 13.5 | 10 | 潤滑剤:ワセリン |
| 型式 | 商品コード | 単位 |
価格 (円) |
基準納期 | |
|---|---|---|---|---|---|
| 日伝 | メーカー | ||||
| AS1201F-M5-23D | AS1201F-M5-23D | P | 1,625 | - | - |
| AS1201F-M5-23D-X12 | AS1201F-M5-23D-X12 | P | 1,850 | - | - |
| AS1201F-M5-23D-X21 | AS1201F-M5-23D-X21 | P | 2,275 | - | - |
| AS1201F-M5-23D-X214 | AS1201F-M5-23D-X214 | P | 1,825 | - | - |
| AS1201F-M5-04D | AS1201F-M5-04D | P | 1,575 | - | - |
| AS1201F-M5-04D-X12 | AS1201F-M5-04D-X12 | P | 1,800 | - | - |
| AS1201F-M5-04D-X21 | AS1201F-M5-04D-X21 | P | 2,225 | - | - |
| AS1201F-M5-04D-X214 | AS1201F-M5-04D-X214 | P | 1,775 | - | - |
| AS1201F-M5-06D | AS1201F-M5-06D | P | 1,575 | - | - |
| AS1201F-M5-06D-X12 | AS1201F-M5-06D-X12 | P | 1,800 | - | - |
製品についてのご質問やお困りごとなどお気軽にご相談ください!