AS-D(エルボ)
-
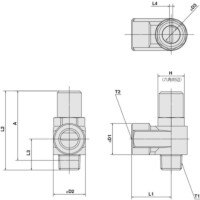
AS-D(エルボ)
■マイナスドライバ調整用
・不用意な手動操作を防止。
SMC
AS-D(エルボ)
AS-D(エルボ)
■マイナスドライバ調整用
・不用意な手動操作を防止。
34件の型式
| 型式 | タイプ | 形状 |
ボディ サイズ |
制御方式 | 管接続部 | 接続口径 | 流量(L/min(ANR)) | C値:音速コンダクタンス(dm3/(s・bar)) | b値:臨界圧力比 |
最高 使用圧力 |
最低 使用圧力 |
保証 耐圧力 |
H (mm) |
D1 (mm) |
D2 (mm) |
D3 (mm) |
L1 (mm) |
L2 (mm) |
L3 (mm) |
L4 (mm) |
A (mm) |
質量 (g) |
|||||
|---|---|---|---|---|---|---|---|---|---|---|---|---|---|---|---|---|---|---|---|---|---|---|---|---|---|---|---|
| シール方式 | ねじタイプ | シリンダ側 T1 | 電磁弁側 T2 | 自由流れ | 制御流れ | 自由流れ | 制御流れ | 自由流れ | 制御流れ | ||||||||||||||||||
| AS1200-M5-D | AS-D | エルボ | 1 | メータアウト | ガスケットシール | M×M | M5×0.8 | M5×0.8 | 105 | 105 | 0.32 | 0.32 | 0.4 | 0.2 | 1MPa | 0.1MPa | 1.5MPa | 8 | 9 | 9 | 4.7 | 10 | 31 | 10.3 | 0.7 | 27.4 | 13 |
| AS1200-U10/32-D | AS-D | エルボ | 1 | メータアウト | ガスケットシール | UNF×UNF | 10/32UNF | 10/32UNF | 105 | 105 | 0.32 | 0.32 | 0.4 | 0.2 | 1MPa | 0.1MPa | 1.5MPa | 8 | 9 | 9 | 4.7 | 10 | 31 | 10.3 | 0.7 | 27.4 | 13 |
| AS2200-01-SD | AS-D | エルボ | 2 | メータアウト | シール剤付 | R×Rc | R1/8 | Rc1/8 | 230 | 230 | 0.7 | 0.7 | 0.2 | 0.25 | 1MPa | 0.1MPa | 1.5MPa | 12 | 14.3 | 14.6 | 7.2 | 18 | 34.7 | 13.2 | 1.2 | 31.6 | 33 |
| AS2200-02-SD | AS-D | エルボ | 2 | メータアウト | シール剤付 | R×Rc | R1/4 | Rc1/4 | 460 | 460 | 1.4 | 1.4 | 0.3 | 0.3 | 1MPa | 0.1MPa | 1.5MPa | 17 | 18 | 19.5 | 7.2 | 27.2 | 40.2 | 17.5 | 1.2 | 36.7 | 72 |
| AS2200-F01-SD | AS-D | エルボ | 2 | メータアウト | シール剤付 | R×G | R1/8 | G1/8 | 230 | 230 | 0.7 | 0.7 | 0.2 | 0.25 | 1MPa | 0.1MPa | 1.5MPa | 12 | 14.3 | 14.6 | 7.2 | 18 | 34.7 | 13.2 | 1.2 | 31.6 | 33 |
| AS2200-F02-SD | AS-D | エルボ | 2 | メータアウト | シール剤付 | R×G | R1/4 | G1/4 | 460 | 460 | 1.4 | 1.4 | 0.3 | 0.3 | 1MPa | 0.1MPa | 1.5MPa | 17 | 18 | 19.5 | 7.2 | 27.2 | 40.2 | 17.5 | 1.2 | 36.7 | 72 |
| AS2200-N01-SD | AS-D | エルボ | 2 | メータアウト | シール剤付 | NPT×NPT | NPT1/8 | NPT1/8 | 230 | 230 | 0.7 | 0.7 | 0.2 | 0.25 | 1MPa | 0.1MPa | 1.5MPa | 12.7 | 14.3 | 14.6 | 7.2 | 18 | 34.7 | 13.2 | 1.2 | 31.6 | 33 |
| AS2200-N02-SD | AS-D | エルボ | 2 | メータアウト | シール剤付 | NPT×NPT | NPT1/4 | NPT1/4 | 460 | 460 | 1.4 | 1.4 | 0.3 | 0.3 | 1MPa | 0.1MPa | 1.5MPa | 17.5 | 18 | 19.5 | 7.2 | 27.2 | 40.2 | 17.5 | 1.2 | 36.7 | 72 |
| AS3200-02-SD | AS-D | エルボ | 3 | メータアウト | シール剤付 | R×Rc | R1/4 | Rc3/8 | 920 | 920 | 2.8 | 2.8 | 0.2 | 0.25 | 1MPa | 0.1MPa | 1.5MPa | 19 | 22.5 | 24.3 | 9.8 | 30 | 54.8 | 21.9 | 1.2 | 49.3 | 123 |
| AS3200-03-SD | AS-D | エルボ | 3 | メータアウト | シール剤付 | R×Rc | R3/8 | Rc3/8 | 920 | 920 | 2.8 | 2.8 | 0.2 | 0.25 | 1MPa | 0.1MPa | 1.5MPa | 19 | 22.5 | 24.3 | 9.8 | 30 | 52.6 | 19.7 | 1.2 | 47.4 | 128 |
| 型式 | 商品コード | 単位 |
価格 (円) |
基準納期 | |
|---|---|---|---|---|---|
| 日伝 | メーカー | ||||
| AS1200-M5-D | AS1200-M5-D | P | 2,475 | - | - |
| AS1200-U10/32-D | AS1200-U10/32-D | P | 2,475 | - | - |
| AS2200-01-SD | AS2200-01-SD | P | 3,350 | - | - |
| AS2200-02-SD | AS2200-02-SD | P | 3,350 | - | - |
| AS2200-F01-SD | AS2200-F01-SD | P | 3,350 | - | - |
| AS2200-F02-SD | AS2200-F02-SD | P | 3,350 | - | - |
| AS2200-N01-SD | AS2200-N01-SD | P | 3,350 | - | - |
| AS2200-N02-SD | AS2200-N02-SD | P | 3,350 | - | - |
| AS3200-02-SD | AS3200-02-SD | P | 4,450 | - | - |
| AS3200-03-SD | AS3200-03-SD | P | 4,450 | - | - |
製品についてのご質問やお困りごとなどお気軽にご相談ください!