モノづくりの困ったを解決する総合サイト

Produced by

酒井製作所

カップリング|精密バネ軸継手 LCD・LCSシリーズ

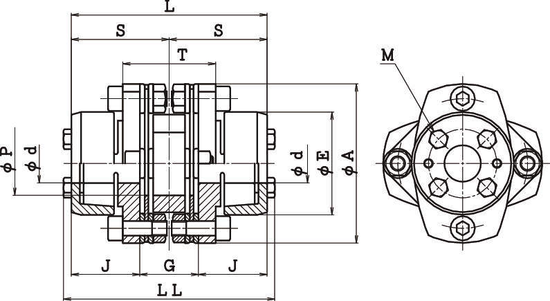
LCD-B

  • LCD-B

  • LCD-T7

  • LCS-B

  • LCS-T7

・たわみ部と軸締結部の総合性能で高剛性・高トルクの回転伝達を実現。
・高剛性・高トルク伝達に適した炭素鋼(S45C)ハブを採用。
・独自の流線型形状により慣性モーメントを低減。
・中型・大型モータに適しています。
・TCD-B・TCS-Bは、軸締結部にダブルボルトクランプ方式を採用。
・TCD-T7・TCS-T7は、軸締結部にテーパスリーブと加圧キャップによるくさび締結方式を採用。

#カップリング

共通仕様

タイプ LCD:ダブル
LCS:シングル
締結方法 LCD-B・LCS-B:ボルトクランプ
LCD-T7・LCS-T7:テーパークランプ
ハブ材質 S45C

詳細仕様

  • 1187件中 1-10件

  • 表示件数

1187件の型式

型式 タイプ 締結方法 A E P L LL S T J G M d1 d2 許容
トルク
(N・m)
最高
回転数
(r/min)
許容
偏心
(mm)
許容
偏角
許容
軸方向
変位
(mm)
ねじり剛性 軸方向
ばね定数
(N/mm)
慣性
モーメント
(kg・m2)
質量
(kg)
全体 (N・m/rad) 板ばねのみ (N・m/rad)
LCD-45B-10×10 ダブル ボルトクランプ 45 31 18 52 - 26 28 17 18 M4 10 10 12 10000 0.23 1.0° ±0.65 0.74×10^4 1.25×10^4 29 0.51×10^-4 0.24
LCD-45B-10×11 ダブル ボルトクランプ 45 31 18 52 - 26 28 17 18 M4 10 11 12 10000 0.23 1.0° ±0.65 0.74×10^4 1.25×10^4 29 0.51×10^-4 0.24
LCD-45B-10×12 ダブル ボルトクランプ 45 31 18 52 - 26 28 17 18 M4 10 12 12 10000 0.23 1.0° ±0.65 0.74×10^4 1.25×10^4 29 0.51×10^-4 0.24
LCD-45B-10×13 ダブル ボルトクランプ 45 31 18 52 - 26 28 17 18 M4 10 13 12 10000 0.23 1.0° ±0.65 0.74×10^4 1.25×10^4 29 0.51×10^-4 0.24
LCD-45B-10×14 ダブル ボルトクランプ 45 31 18 52 - 26 28 17 18 M4 10 14 12 10000 0.23 1.0° ±0.65 0.74×10^4 1.25×10^4 29 0.51×10^-4 0.24
LCD-45B-10×15 ダブル ボルトクランプ 45 31 18 52 - 26 28 17 18 M4 10 15 12 10000 0.23 1.0° ±0.65 0.74×10^4 1.25×10^4 29 0.51×10^-4 0.24
LCD-45B-10×16 ダブル ボルトクランプ 45 31 18 52 - 26 28 17 18 M4 10 16 12 10000 0.23 1.0° ±0.65 0.74×10^4 1.25×10^4 29 0.51×10^-4 0.24
LCD-45B-11×11 ダブル ボルトクランプ 45 31 18 52 - 26 28 17 18 M4 11 11 12 10000 0.23 1.0° ±0.65 0.74×10^4 1.25×10^4 29 0.51×10^-4 0.24
LCD-45B-11×12 ダブル ボルトクランプ 45 31 18 52 - 26 28 17 18 M4 11 12 12 10000 0.23 1.0° ±0.65 0.74×10^4 1.25×10^4 29 0.51×10^-4 0.24
LCD-45B-11×13 ダブル ボルトクランプ 45 31 18 52 - 26 28 17 18 M4 11 13 12 10000 0.23 1.0° ±0.65 0.74×10^4 1.25×10^4 29 0.51×10^-4 0.24

・一部の軸穴径では、締付部伝達能力が許容トルクより小さくなっています。

型式 商品コード 単位 価格
(円)
基準納期
日伝 メーカー
LCD-45B-10×10 LCD-45B-10-10 P 11,500 - 10日間
LCD-45B-10×11 LCD-45B-10-11 P 11,500 - 10日間
LCD-45B-10×12 LCD-45B-10-12 P 11,500 - 10日間
LCD-45B-10×13 LCD-45B-10-13 P 11,500 - 10日間
LCD-45B-10×14 LCD-45B-10-14 P 11,500 - 10日間
LCD-45B-10×15 LCD-45B-10-15 P 11,500 - 10日間
LCD-45B-10×16 LCD-45B-10-16 P 11,500 - 10日間
LCD-45B-11×11 LCD-45B-11-11 P 11,500 - 10日間
LCD-45B-11×12 LCD-45B-11-12 P 11,500 - 10日間
LCD-45B-11×13 LCD-45B-11-13 P 11,500 - 10日間

この製品を見た人はこのような製品も見ています

1952年設立で、動力伝導機器・産業機器・制御機器等の機械設備及び機械器具関連製品の販売をしている専門総合商社です。
日本国内で40以上の拠点を持ち、信頼性の高い製品と技術力で、全国のものづくりに携わる方々のあらゆるお困りごとを解決しています。

Loading...