モノづくりの困ったを解決する総合サイト

Produced by

三興製作所

M35SD シングル2本掛プロケット

■ローラーコンベアなどの駆動に、シングルチェーンを2本掛けにして、駆動軸回転を動力伝達用途に適しています。

■機械構造用炭素鋼、一体加工、歯先高周波焼入れ品で取り揃えています。

#スプロケット

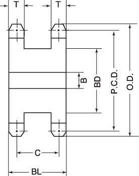
詳細仕様

  • 10件中 1-10件

  • 表示件数

10件の型式

型式 チェーン
No
形状 歯数 外径
O.D.
(mm)
ピッチ径
P.C.D.
(mm)
歯幅
T
(mm)
ボス径
BD
(mm)
ボス長
BL
(mm)
C
(mm)
軸孔径B(mm)
下孔 最大
35SW12 35 SW 12 40 36.80 4.3 24 20 15.7 9 16
35SW13 35 SW 13 44 39.80 4.3 28 20 15.7 9 18
35SW14 35 SW 14 47 42.81 4.3 30 20 15.7 9 20
35SW15 35 SW 15 50 45.81 4.3 35 20 15.7 9 22
35SW16 35 SW 16 53 48.82 4.3 37 20 15.7 9 24
35SW17 35 SW 17 56 51.84 4.3 41 20 15.7 11 25
35SW18 35 SW 18 59 84.85 4.3 44 20 15.7 11 28
35SW19 35 SW 19 62 57.87 4.3 47 20 15.7 11 30
35SW20 35 SW 20 65 60.89 4.3 50 20 15.7 11 32
35SW21 35 SW 21 68 63.91 4.3 53 20 15.7 11 35

型式 商品コード 単位 価格
(円)
基準納期
日伝 メーカー
35SW12 35SW12 P 880 - -
35SW13 35SW13 P 880 - -
35SW14 35SW14 P 960 - -
35SW15 35SW15 P 970 - -
35SW16 35SW16 P 1,030 - -
35SW17 35SW17 P 1,100 - -
35SW18 35SW18 P 1,050 - -
35SW19 35SW19 P 1,120 - -
35SW20 35SW20 P 1,210 - -
35SW21 35SW21 P 1,230 - -

この製品を見た人はこのような製品も見ています

1952年設立で、動力伝導機器・産業機器・制御機器等の機械設備及び機械器具関連製品の販売をしている専門総合商社です。
日本国内で40以上の拠点を持ち、信頼性の高い製品と技術力で、全国のものづくりに携わる方々のあらゆるお困りごとを解決しています。

Loading...