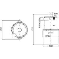
MGC-180-02
-
MGC-180-02
・レーザー溶接などの工程で発生する、スパッタや細かい粉塵を捕集。
・高い捕集効率で集塵機のフィルタ目詰まりを軽減します。
・丸ごと水洗い可能。オールステンレス製なので、丸ごと水洗いができ、清掃が容易です。
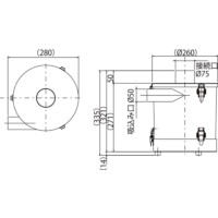
・コンパクト設計。D280×W260×H335mmのコンパクトな設計です。場所を選ばず設置できます。(MGC-180-02)
・接続口:φ75mmホース接続。
・簡単ゴミ捨て。キャッチクリップを外すだけで、捕集した粉塵を簡単に捨てることができます。(回収容器標準)
・吸込み口:φ50mmホース接続。
・低コスト:導入しやすい低価格設定です。
<用途一覧>
・端子溶接時のスパッタや微粉塵の回収。
・レーザー溶接、封止時のスパッタや微粉塵の回収。
・紙箱へのレーザー印字工程における紙粉回収。
・ハーネスカット、被覆剥離時の粉塵回収。
・基板分割工程の微粉塵回収。

