モノづくりの困ったを解決する総合サイト

Produced by

フィックスステージ 手動 薄型X軸フィックスステージ

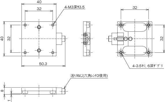
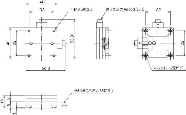
LS-T4052FX

  • LS-T4052FX

  • LS-T6052FX

  • LD-T4052FX

  • LD-T6052FX

【カメラセンサの位置調整に最適!】位置調整後に動かないステージです

・クランプレスの、位置調整後に動かないステージです。
・特殊機構により、バックラッシを防止しています。
・位置調整は六角レンチを使用します。
 ※六角レンチは付属しておりません。お客様にてご用意ください。
・常に位置調整が必要なワークより、むしろカメラやセンサなど、位置調整後に移動させたくないワークに最適です。
・スペーサほどの薄さ(8�o)で位置決めが可能です(Xステージの場合)。
・送りねじの配置をテーブル中心とすることで出っ張りの少ない形状を実現しており、特に狭小部への設置に有効です。
・水平設置だけではなく、垂直・逆さ方向の設置も可能です。

共通仕様

クランプ方式 クランプレス
送り方式 送りねじP=0.7mm
移動量/ツマミ1回転 約0.7mm
移動ガイド すり合わせ
耐荷重 24.5N(2.5kgf)
主要材質/表面処理 アルミ合金/黒アルマイト梨地
RoHS指令対応状況 RoHS指令適合品

詳細仕様

  • 4件中 1-4件

  • 表示件数

4件の型式

型式 製品名 移動方向 ステージ高さ ステージ面 移動量 平行度 質量
LS-T4052FX 薄型X軸フィックスステージ40×40 X軸1方向 8mm 40mm×40mm ±3.5mm 0.1mm 0.04kg
LS-T6052FX 薄型X軸フィックスステージ60×60 X軸1方向 8mm 60mm×60mm ±5.5mm 0.1mm 0.08kg
LD-T4052FX 薄型XY軸フィックスステージ40×40 XY軸2方向 16mm 40mm×40mm ±3.5mm 0.2mm 0.08kg
LD-T6052FX 薄型XY軸フィックスステージ60×60 XY軸2方向 16mm 60mm×60mm ±5.5mm 0.2mm 0.16kg

型式 商品コード 単位 価格
(円)
基準納期
日伝 メーカー
LS-T4052FX LS-T4052FX P 25,000 - 10日間
LS-T6052FX LS-T6052FX P 26,000 - 10日間
LD-T4052FX LD-T4052FX P 50,000 - 10日間
LD-T6052FX LD-T6052FX P 52,000 - 10日間

この製品を見た人はこのような製品も見ています

1952年設立で、動力伝導機器・産業機器・制御機器等の機械設備及び機械器具関連製品の販売をしている専門総合商社です。
日本国内で40以上の拠点を持ち、信頼性の高い製品と技術力で、全国のものづくりに携わる方々のあらゆるお困りごとを解決しています。

Loading...