モノづくりの困ったを解決する総合サイト

Produced by

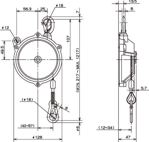
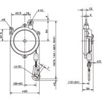
スプリングバランサー|軽量タイプ EK

EK-00

  • EK-00

  • EK-0

■軽量物を吊るす非常にコンパクトなバランサーです。

■電動ドライバーなどの懸垂に。

#スプリングバランサー

詳細仕様

  • 2件中 1-2件

  • 表示件数

2件の型式

型式 容量
(kg)
ストローク
(m)
ワイヤロープ径
(mm)
質量
(kg)
EK-00 0.5~1.5 0.5 2.0 0.2
EK-0 0.5~1.5 1.0 3.0 0.5

型式 商品コード 単位 価格
(円)
基準納期
日伝 メーカー
EK-00 EK-00 P 5,800 在庫品 在庫品
EK-0 EK-0 P 9,600 在庫品 在庫品

この製品を見た人はこのような製品も見ています

1952年設立で、動力伝導機器・産業機器・制御機器等の機械設備及び機械器具関連製品の販売をしている専門総合商社です。
日本国内で40以上の拠点を持ち、信頼性の高い製品と技術力で、全国のものづくりに携わる方々のあらゆるお困りごとを解決しています。

Loading...