-
-
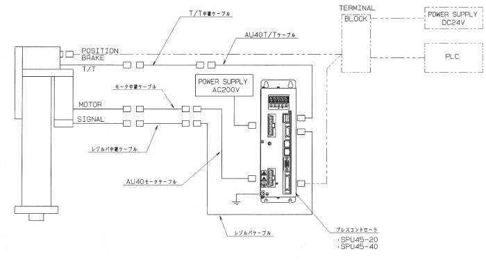
コントローラ
■環境への配慮
・サーボモータ駆動により消費エネルギーを低減、静寂性にも優れています。(一般的なエア式・オイル式に比べ、エネルギー消費量は10~20%程度)
■生産性の向上
・荷重・位置・速度・時間を高精度制御することでサイクルタイムを最適化。
・動作状況をリアルタイムにフィードバックしてワークの破損を防止します。
■安全設計
・電源遮断時における出力軸落下防止用の保持ブレーキは標準装備です。
■簡単セットアップ
・ツール・コントローラ・ケーブルのシンプルなユニット構成と優れたユーザビリティの設定値入力で、短時間のセットアップが可能です。(高精度ロードセル・レゾルバを採用)
■トレーサビリティ
・各種データ収集機能によりトレーサビリティも万全です。

