モノづくりの困ったを解決する総合サイト

Produced by

ニードルバルブ(V series)|ニードルストップバルブ(ステンレス鋼製・メタルシール・34MPa) PUH-134P

PUD-934P

  • PUD-934P

V series

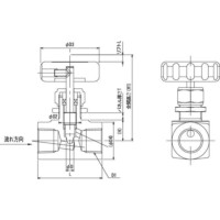
■ボンネットレス形のため、コンパクトでかつボンネットリークがありません。

■操作性を重視した設計により、ハンドルトルクが低く開閉が容易に行えます。

■グランドパッキンは異種多重シール方式を採用しており、信頼性の高い、グランドシール構造となっています。

■メタルシールタイプとソフトシールタイプがあります。

■高圧ガス大臣認定品も対応可能です。

#バルブ
#ニードルバルブ

詳細仕様

  • 2件中 1-2件

  • 表示件数

2件の型式

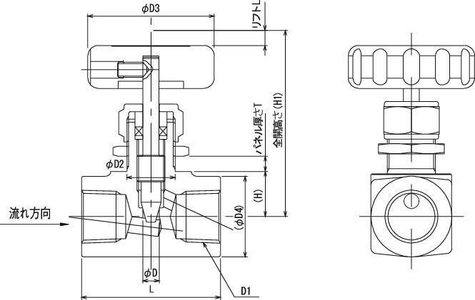
型式 タイプ 形状 最高
使用圧力
接続形式 呼び径 オリフィス径
D
(mm)
面間距離
L
(mm)
管接続部
ネジ
D1
パネル取付部(mm) 全開高さ
H1
(mm)
リフト
L1
(mm)
ハンドル径
D3
(mm)
D4
(mm)
パネル厚さT(mm) MAX Cv値 質量
(kg)
A B D2 H MIN. MAX.
PUH-134PB 手動・ニードルバルブ グローブ 34MPa ねじ込式 8 1/4" 4 45 Rc1/4 15 13 57 2.5 40 21 2 5 0.46 約0.3
PUH-134PC 手動・ニードルバルブ グローブ 34MPa ねじ込式 10 3/8" 4 50 Rc3/8 15 15 58.5 2.5 40 25 2 5 0.52 約0.4

型式 商品コード 単位 価格
(円)
基準納期
日伝 メーカー
PUH-134PB PUH-134PB P 13,100 - -
PUH-134PC PUH-134PC P 17,400 - -

この製品を見た人はこのような製品も見ています

1952年設立で、動力伝導機器・産業機器・制御機器等の機械設備及び機械器具関連製品の販売をしている専門総合商社です。
日本国内で40以上の拠点を持ち、信頼性の高い製品と技術力で、全国のものづくりに携わる方々のあらゆるお困りごとを解決しています。

Loading...