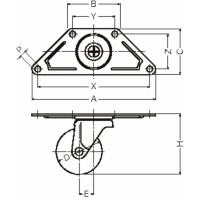
220G-UR50
-
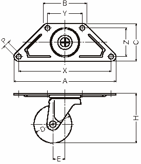
220G-UR50
-
215G-R75
・取付けベースが無くてもアングルフレーム等に取付けが可能なコーナーキャスターです。
・コーナーキャスターは他に220E/220Sがあります。
注)C(イモノ)車のストッパー付きは製作しておりません。
・スチール製
・RoHS適合品
<使用例>
・スチールラックや軽量機械などのさまざまなコーナーで使用されています。

