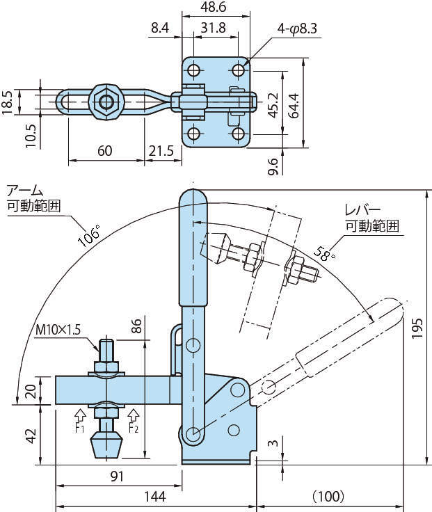
ST-VTC210U
-
ST-VTC210U
・立型 : レバーを立てて、下方にクランプ
・フランジ取付けベース
共通仕様
| 本体 | SPCC、亜鉛メッキ |
|---|---|
| アーム | SPHD |
| グリップ | ポリ塩化ビニル |
| ボルト・ナット | SUM41 |
| パッド | クロロプレンゴム(CR) |
イマオコーポレーション
ST-VTC210U
ST-VTC210U
・立型 : レバーを立てて、下方にクランプ
・フランジ取付けベース
| 本体 | SPCC、亜鉛メッキ |
|---|---|
| アーム | SPHD |
| グリップ | ポリ塩化ビニル |
| ボルト・ナット | SUM41 |
| パッド | クロロプレンゴム(CR) |
1件の型式
| 型式 | シリーズ | ロック機構 | 本体材質 | 締圧力(kN) |
質量 (g) |
|
|---|---|---|---|---|---|---|
| F1 | F2 | |||||
| ST-VTC210U | ST-VTC210 | なし | スチール製 | 1.4 | 2.7 | 590 |
| 型式 | 商品コード | 単位 |
価格 (円) |
基準納期 | |
|---|---|---|---|---|---|
| 日伝 | メーカー | ||||
| ST-VTC210U | ST-VTC210U | P | 3,100 | - | 在庫品 |
製品についてのご質問やお困りごとなどお気軽にご相談ください!