モノづくりの困ったを解決する総合サイト

Produced by

マンクーリングシステム

使用例(防護服)

  • 使用例(防護服)

  • 使用例(ベスト)

  • ノズル

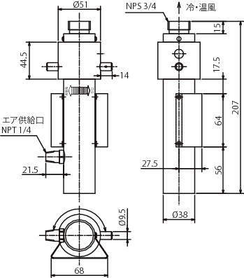
・ボルテックスクーラーとベスト又は防護服との組み合わせにより構成される、個人用温度調整システムです。
・冷・暖切換えノブを調節する事により、人体に快適な温度環境を創ります。
・高・低温作業等での冷・暖房用にご使用ください。

#エアノズル
#ノズル
#冷風発生装置

CADメーカーTOP

詳細仕様

  • 7件中 1-7件

  • 表示件数

7件の型式

型式 品名 空気消費量
(NL/min)
0.27MPa~0.69MPa
温度調節 圧縮空気
供給口
220 ベスト用ノズル 197~420 冷・暖調節式 R1/4
865 ベスト - - -
220H 防護服用ノズル 197~420 冷・暖調節式 R1/4
L 専用防護服 Lサイズ - - -
LL 専用防護服 LLサイズ - - -
220H+L ノズル+防護服 Lサイズ 197~420 冷・暖調節式 R1/4
220H+LL ノズル+防護服 LLサイズ 197~420 冷・暖調節式 R1/4

型式 商品コード 単位 価格
(円)
基準納期
日伝 メーカー
220 220 P 115,900 - 在庫品
865 865 P 100,100 - 在庫品
220H 220H P 121,000 - 在庫品
L 220HヨウセンヨウボウゴフクL P 3,600 - 在庫品
LL 220HヨウセンヨウボウゴフクLL P 3,600 - 在庫品
220H+L 220H+センヨウボウゴフクL P 124,600 - 在庫品
220H+LL 220H+センヨウボウゴフクLL P 124,600 在庫品 在庫品

この製品を見た人はこのような製品も見ています

1952年設立で、動力伝導機器・産業機器・制御機器等の機械設備及び機械器具関連製品の販売をしている専門総合商社です。
日本国内で40以上の拠点を持ち、信頼性の高い製品と技術力で、全国のものづくりに携わる方々のあらゆるお困りごとを解決しています。

Loading...