・Jシリーズとは、標準歯車の下穴品をベースに穴径、キー溝、取付穴の寸法をKHK独自の規格でシリーズ化した製品です。
・最新の機械設備をジャスト・イン・タイム生産ラインにより生産効率と品質を追求。
・メーカーが行う追加工で信頼性の高い製品を提供します。
共通仕様
精度等級 | KHK W 002 2級相当品 |
---|---|
歯車基準断面 | 軸直角 |
歯形 | 並歯 |
歯直角圧力角 | 20° |
材料 | CAC702(旧 JIS表示AlBC2) |
熱処理 | - |
歯面硬度 | - |
小原歯車工業
・Jシリーズとは、標準歯車の下穴品をベースに穴径、キー溝、取付穴の寸法をKHK独自の規格でシリーズ化した製品です。
・最新の機械設備をジャスト・イン・タイム生産ラインにより生産効率と品質を追求。
・メーカーが行う追加工で信頼性の高い製品を提供します。
精度等級 | KHK W 002 2級相当品 |
---|---|
歯車基準断面 | 軸直角 |
歯形 | 並歯 |
歯直角圧力角 | 20° |
材料 | CAC702(旧 JIS表示AlBC2) |
熱処理 | - |
歯面硬度 | - |
243件の型式
型式 | 減速比 |
軸直角 モジュール m |
歯数 |
相手 条数 |
ねじれ角 |
ねじれ 方向 |
形状 |
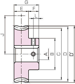
穴径 AH7 |
ボス径 B |
基準円 直径 C |
のど径 D |
歯先円 直径 D' |
歯幅 E |
ボス 長さ F |
全長 G |
ウェブ 厚 (H) |
リム 径 (I) |
組立 距離 J |
キーみぞ (幅×深さ) |
ねじ穴 | 歯面強さ許容トルク(N・m) |
バックラッシ (mm) |
質量 (kg) |
|||||||
---|---|---|---|---|---|---|---|---|---|---|---|---|---|---|---|---|---|---|---|---|---|---|---|---|---|---|---|---|---|---|
サイズ | L | 30rpm時 | 100rpm時 | 300rpm時 | 600rpm時 | 900rpm時 | 1200rpm時 | 1800rpm時 | ||||||||||||||||||||||
AG1-20R1J6 | 20 | 1 | 20 | 1 | 3°35′ | R | H1T | 6 | 16 | 20 | 22 | 23 | 10 | 10 | 20 | - | - | 18 | - | M4 | 5 | 3.35 | 2.79 | 2.23 | 1.83 | 1.63 | 1.50 | 1.30 | 0.08~0.19 | 0.038 |
AG1-20R2J6 | 10 | 1 | 20 | 2 | 7°08′ | R | H1T | 6 | 16 | 20 | 22 | 23 | 10 | 10 | 20 | - | - | 18 | - | M4 | 5 | 3.31 | 2.69 | 2.06 | 1.68 | 1.48 | 1.35 | 1.15 | 0.08~0.19 | 0.038 |
AG1-30R1J6 | 30 | 1 | 30 | 1 | 3°35′ | R | H1T | 6 | 20 | 30 | 32 | 33 | 10 | 10 | 20 | - | - | 23 | - | M4 | 5 | 7.08 | 5.98 | 4.84 | 4.05 | 3.63 | 3.31 | 2.92 | 0.08~0.19 | 0.078 |
AG1-30R1J8 | 30 | 1 | 30 | 1 | 3°35′ | R | H1T | 8 | 20 | 30 | 32 | 33 | 10 | 10 | 20 | - | - | 23 | - | M5 | 5 | 7.08 | 5.98 | 4.84 | 4.05 | 3.63 | 3.31 | 2.92 | 0.08~0.19 | 0.078 |
AG1-30R2J6 | 15 | 1 | 30 | 2 | 7°08′ | R | H1T | 6 | 20 | 30 | 32 | 33 | 10 | 10 | 20 | - | - | 23 | - | M4 | 5 | 7.03 | 5.84 | 4.56 | 3.72 | 3.33 | 3.03 | 2.63 | 0.08~0.19 | 0.078 |
AG1-30R2J8 | 15 | 1 | 30 | 2 | 7°08′ | R | H1T | 8 | 20 | 30 | 32 | 33 | 10 | 10 | 20 | - | - | 23 | - | M5 | 5 | 7.03 | 5.84 | 4.56 | 3.72 | 3.33 | 3.03 | 2.63 | 0.08~0.19 | 0.078 |
AG1-40R1J8 | 40 | 1 | 40 | 1 | 3°35′ | R | H1T | 8 | 26 | 40 | 42 | 43 | 10 | 10 | 20 | - | - | 28 | - | M5 | 5 | 12.1 | 10.2 | 8.43 | 7.12 | 6.38 | 5.86 | 5.13 | 0.08~0.19 | 0.13 |
AG1-40R1J10 | 40 | 1 | 40 | 1 | 3°35′ | R | H1K | 10 | 26 | 40 | 42 | 43 | 10 | 10 | 20 | - | - | 28 | 4×1.8 | M4 | 5 | 12.1 | 10.2 | 8.43 | 7.12 | 6.38 | 5.86 | 5.13 | 0.08~0.19 | 0.13 |
AG1-40R1J12 | 40 | 1 | 40 | 1 | 3°35′ | R | H1K | 12 | 26 | 40 | 42 | 43 | 10 | 10 | 20 | - | - | 28 | 4×1.8 | M4 | 5 | 12.1 | 10.2 | 8.43 | 7.12 | 6.38 | 5.86 | 5.13 | 0.08~0.19 | 0.13 |
AG1-50R1J8 | 50 | 1 | 50 | 1 | 3°35′ | R | H1T | 8 | 30 | 50 | 52 | 53 | 10 | 10 | 20 | - | - | 33 | - | M5 | 5 | 18.3 | 15.5 | 12.9 | 10.9 | 9.87 | 9.09 | 7.95 | 0.08~0.19 | 0.20 |
型式 | 商品コード | 単位 |
価格 (円) |
基準納期 | |
---|---|---|---|---|---|
日伝 | メーカー | ||||
AG1-20R1J6 | AG1-20R1J6 | P | 3,450 | - | - |
AG1-20R2J6 | AG1-20R2J6 | P | 3,450 | - | - |
AG1-30R1J6 | AG1-30R1J6 | P | 4,350 | - | - |
AG1-30R1J8 | AG1-30R1J8 | P | 5,310 | - | - |
AG1-30R2J6 | AG1-30R2J6 | P | 4,350 | - | - |
AG1-30R2J8 | AG1-30R2J8 | P | 5,310 | - | - |
AG1-40R1J8 | AG1-40R1J8 | P | 5,900 | - | - |
AG1-40R1J10 | AG1-40R1J10 | P | 7,950 | - | - |
AG1-40R1J12 | AG1-40R1J12 | P | 7,950 | - | - |
AG1-50R1J8 | AG1-50R1J8 | P | 8,990 | - | - |
製品についてのご質問やお困りごとなどお気軽にご相談ください!