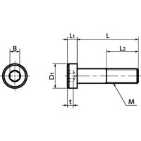
SLHS-UCL
-
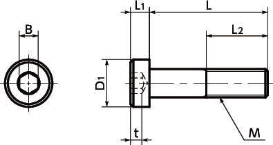
SLHS-UCL
・SUSXM7製の六角穴付き低頭ボルトです。
・機器・装置の省スペース化や上部スペースが限られた箇所に。
・クリーン洗浄・クリーン梱包済み。
・FPD製造装置・半導体製造装置・医療機器・食品機械に組み込まれる部品やクリーンルームで使用する部品に。
<用途>
・機器・装置の省スペース化
・FPD製造装置/半導体製造装置/医療機器/食品機械
共通仕様
| 本体 | SUSXM7(SUS304相当) USC洗浄 |
|---|---|
| 強度区分 | A2-50 |

