加締機による丸締め方式
スウェイジ継手は、ホースに加締めて使用する継手です。
ホースとの加締め(アセンブリ)は専用の手動式アセンブリツール[マーク10]、油圧式アセンブリマシン[マーク9]を使用することにより誰でも簡単に行なえます。
ニッタ
スウェイジ継手は、ホースに加締めて使用する継手です。
ホースとの加締め(アセンブリ)は専用の手動式アセンブリツール[マーク10]、油圧式アセンブリマシン[マーク9]を使用することにより誰でも簡単に行なえます。
36件の型式
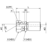
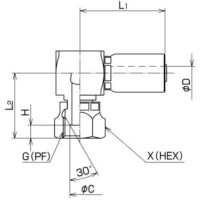
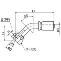
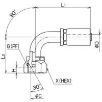
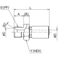
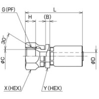
| 型式 | タイプ | 材質 |
呼称 サイズ |
ねじ径 |
A (mm) |
B (mm) |
C (mm) |
最小内径 D (mm) |
H (mm) |
L (mm) |
L1 (mm) |
L2 (mm) |
X (mm) |
Y (mm) |
概略 質量 (g) |
適用ホース | ||||||
|---|---|---|---|---|---|---|---|---|---|---|---|---|---|---|---|---|---|---|---|---|---|---|
| N3130 | 3130 | N3000 | 3000 | 3700 | 3R80 | 34PW | ||||||||||||||||
| SA-PT-04 | SA | スチール | 04 | R1/4 | 13 | 8.5 | - | 3.9 | - | 61 | - | - | - | 19 | 60 | ○ | ○ | ○ | ○ | ○ | - | - |
| SA-PT-06-N30 | SA | スチール | 06 | R3/8 | 15 | 9.0 | - | 6.8 | - | 67 | - | - | - | 22 | 90 | - | - | ○ | - | - | ○ | - |
| SA-PT-08-N30 | SA | スチール | 08 | R1/2 | 18 | 10.0 | - | 10.0 | - | 76 | - | - | - | 27 | 140 | - | - | ○ | - | - | ○ | - |
| SA-PT-10-N30 | SA | スチール | 10 | R3/4 | 20 | 10.0 | - | 13.0 | - | 80 | - | - | - | 32 | 180 | - | - | ○ | - | - | - | - |
| SA-PT-04-S | SA | SUS304 | 04 | R1/4 | 13 | 8.5 | - | 3.9 | - | 61 | - | - | - | 19 | 60 | ○ | ○ | ○ | ○ | ○ | - | - |
| SA-PT-06-N30-S | SA | SUS304 | 06 | R3/8 | 15 | 9.0 | - | 6.8 | - | 67 | - | - | - | 22 | 90 | - | - | ○ | - | - | ○ | - |
| SA-PT-08-N30-S | SA | SUS304 | 08 | R1/2 | 18 | 10.0 | - | 10.0 | - | 76 | - | - | - | 27 | 140 | - | - | ○ | - | - | ○ | - |
| SE-PF-04 | SE | スチール | 04 | G1/4 | - | 8.0 | 9.3 | 3.9 | 8.0 | 64 | - | - | 19 | 17 | 75 | ○ | ○ | ○ | ○ | ○ | - | - |
| SE-PF-06-N30 | SE | スチール | 06 | G3/8 | - | 9.5 | 12.3 | 6.8 | 9.5 | 71 | - | - | 22 | 19 | 110 | - | - | ○ | - | - | ○ | - |
| SE-PF-08-N30 | SE | スチール | 08 | G1/2 | - | 9.0 | 15.5 | 10.0 | 12.5 | 80 | - | - | 27 | 27 | 170 | - | - | ○ | - | - | ○ | - |
| 型式 | 商品コード | 単位 |
価格 (円) |
基準納期 | |
|---|---|---|---|---|---|
| 日伝 | メーカー | ||||
| SA-PT-04 | SA-PT-04 | P | 1,201 | 在庫品 | 在庫品 |
| SA-PT-06-N30 | SA-PT-06-N30 | P | 1,510 | 在庫品 | 在庫品 |
| SA-PT-08-N30 | SA-PT-08-N30 | P | 1,830 | - | 在庫品 |
| SA-PT-10-N30 | SA-PT-10-N30 | P | 2,299 | - | 在庫品 |
| SA-PT-04-S | SA-PT-04-S | P | 3,912 | - | お問合 |
| SA-PT-06-N30-S | SA-PT-06-N30-S | P | 9,545 | - | お問合 |
| SA-PT-08-N30-S | SA-PT-08-N30-S | P | 10,640 | - | お問合 |
| SE-PF-04 | SE-PF-04 | P | 1,272 | 在庫品 | 在庫品 |
| SE-PF-06-N30 | SE-PF-06-N30 | P | 1,615 | 在庫品 | 在庫品 |
| SE-PF-08-N30 | SE-PF-08-N30 | P | 1,943 | 在庫品 | 在庫品 |
製品についてのご質問やお困りごとなどお気軽にご相談ください!